Zurn Z87302 Handleiding
Zurn Douchesysteem Z87302
Bekijk gratis de handleiding van Zurn Z87302 (1 pagina’s), behorend tot de categorie Douchesysteem. Deze gids werd als nuttig beoordeeld door 2 mensen en kreeg gemiddeld 4.4 sterren uit 3 reviews. Heb je een vraag over Zurn Z87302 of wil je andere gebruikers van dit product iets vragen? Stel een vraag
Pagina 1/1

AquaSpec
is a registered trademark of Zurn Industries, LLC
©2007 Zurn Industries, LLC
TAG _______
ZURN INDUSTRIES, LLC
♦♦
♦♦
♦COMMERCIAL BRASS OPERATION
♦♦
♦♦
♦2640 SOUTH WORK STREET
♦♦
♦♦
♦FALCONER NY 14733
Phone: 1-716-665-1132
♦♦
♦♦
♦Fax: 1-716-665-1135
♦♦
♦♦
♦World Wide Web: www.zurn.com
In Canada: ZURN INDUSTRIES LIMITED
♦♦
♦♦
♦3544 Nashua Drive
♦♦
♦♦
♦Mississauga, Ontario L4V1L2
♦♦
♦♦
♦Phone: 905/405-8272 Fax: 905/405-1292
__________________________________________________
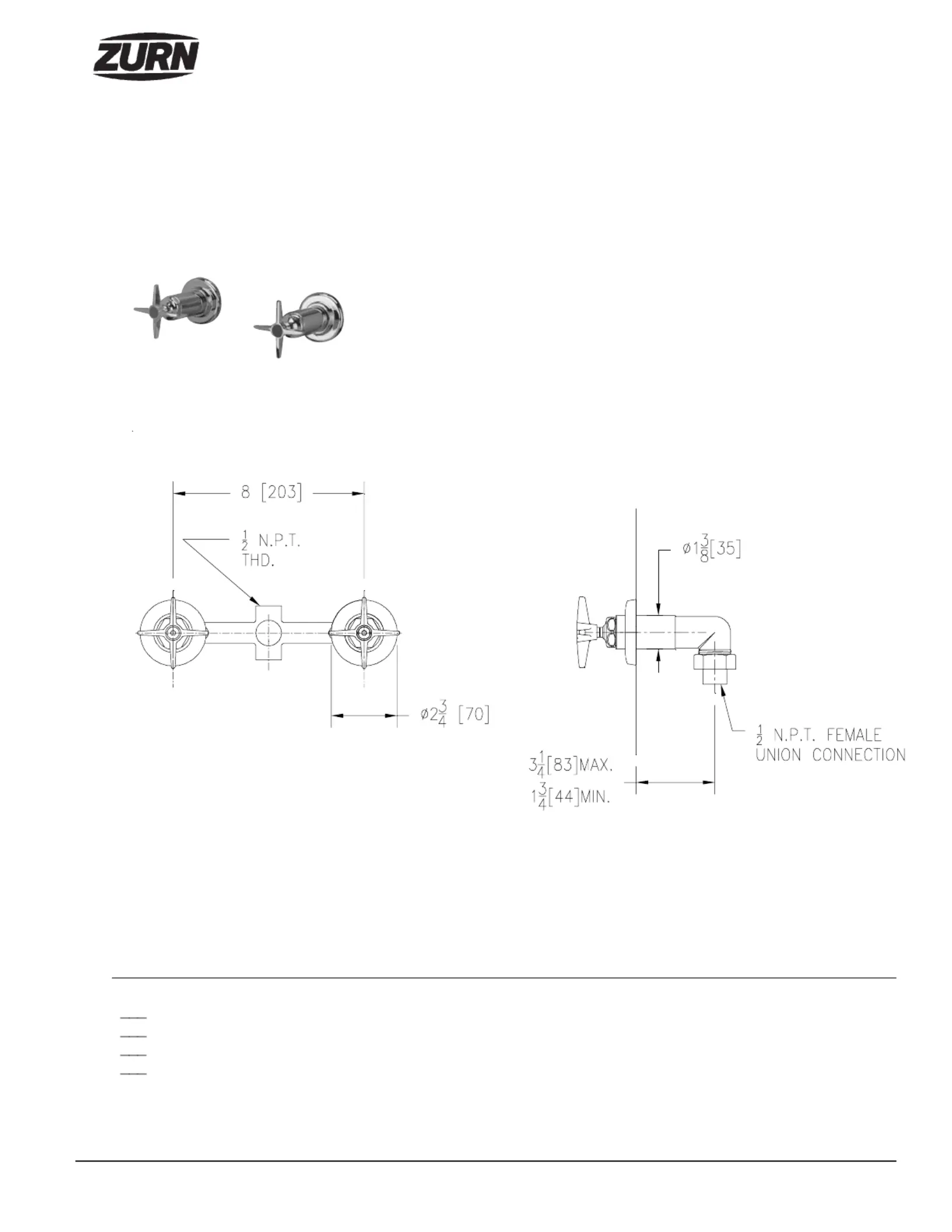
SHOWER VALVE
Z87302
Note: All dimensions are for reference only. Do not use for pre-plumbing
OPTIONAL ACCESSORIES
SuffixDescription
-CSInline Check Stops
-HCTHot/Cold Text Indexes
-ISIntegral Stops
-SEOutlet Forward For Mounting With Supply Ell
Rev. GDate: 10/29/07C.N. No. 106845
Dwg. No. 62182Product No. Z87302
Engineering Specifications: Zurn AquaSpec
Z87302
Concealed two valve cast brass 8” [203mm] shower valve with
quarter-turn ceramic disc cartridges and vandal-resistant color-
coded metal four arm handles.
Product specificaties
| Merk: | Zurn |
| Categorie: | Douchesysteem |
| Model: | Z87302 |
Heb je hulp nodig?
Als je hulp nodig hebt met Zurn Z87302 stel dan hieronder een vraag en andere gebruikers zullen je antwoorden
Handleiding Douchesysteem Zurn
5 Maart 2026
5 Maart 2026
4 Maart 2026
4 Maart 2026
4 Maart 2026
28 December 2025
28 December 2025
Handleiding Douchesysteem
Nieuwste handleidingen voor Douchesysteem
7 Maart 2026
3 Maart 2026
2 Maart 2026
2 Maart 2026
2 Maart 2026
2 Maart 2026
28 Februari 2026
28 Februari 2026
28 Februari 2026
27 Februari 2026