Toa NM-01-AM Handleiding
Bekijk gratis de handleiding van Toa NM-01-AM (2 pagina’s), behorend tot de categorie Receiver. Deze gids werd als nuttig beoordeeld door 12 mensen en kreeg gemiddeld 4.1 sterren uit 9 reviews. Heb je een vraag over Toa NM-01-AM of wil je andere gebruikers van dit product iets vragen? Stel een vraag
Pagina 1/2

INSTALLATION MANUAL
NOISE MASKING MODULE
1. GENERAL DESCRIPTION
The NM-01 is a noise masking module to be used in conjunction with TOA’s 9000M2, 900, 700 and BG-2000 series
amplifiers. This module generates a noise source to be used for sound masking and audio privacy applications. Such
applications include open-plan office environments or smaller spaces where distracting or private conversations need
to be made unintelligible. The module allows connection of optional external signal processing equipment (e.g. an
equalizer), as required. A simple contact allows for muting of this noise source, if desired.
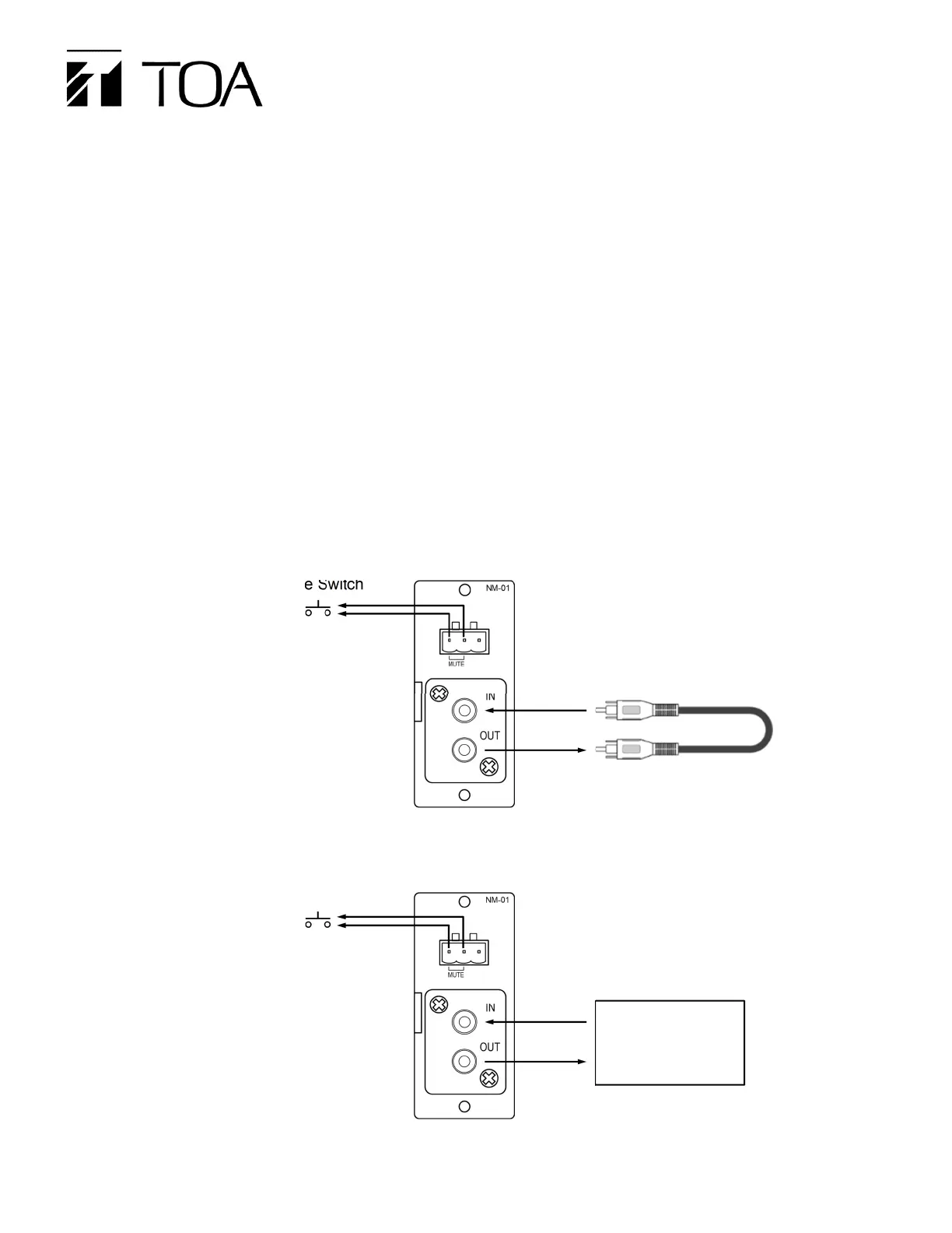
2. CONNECTIONS
An external mute switch and/or an external processor can be connected as options. (The right side pin of the 3P
terminal block is not used.)
NM
-
01
<When using without an external processor>
<When using with an external processor>
Mute
Switch
Supplied RCA Cable
Output
Input
External
Processor
Mute Switch
Product specificaties
| Merk: | Toa |
| Categorie: | Receiver |
| Model: | NM-01-AM |
Heb je hulp nodig?
Als je hulp nodig hebt met Toa NM-01-AM stel dan hieronder een vraag en andere gebruikers zullen je antwoorden
Handleiding Receiver Toa
4 Oktober 2025
4 Oktober 2025
4 Oktober 2025
4 Oktober 2025
4 Oktober 2025
4 Oktober 2025
29 September 2025
22 Juni 2024
18 Mei 2024
8 April 2024
Handleiding Receiver
Nieuwste handleidingen voor Receiver
22 Januari 2026
20 Januari 2026
20 Januari 2026
19 Januari 2026
15 Januari 2026
14 Januari 2026
13 Januari 2026
13 Januari 2026
13 Januari 2026
13 Januari 2026