Texas Instruments LMV934-N-Q1 Handleiding
Texas Instruments Niet gecategoriseerd LMV934-N-Q1
Bekijk gratis de handleiding van Texas Instruments LMV934-N-Q1 (44 pagina’s), behorend tot de categorie Niet gecategoriseerd. Deze gids werd als nuttig beoordeeld door 2 mensen en kreeg gemiddeld 4.1 sterren uit 7 reviews. Heb je een vraag over Texas Instruments LMV934-N-Q1 of wil je andere gebruikers van dit product iets vragen? Stel een vraag
Pagina 1/44

Product
Folder
Order
Now
Technical
Documents
Tools &
Software
Support &
Community
AnIMPORTANTNOTICEattheendofthisdatasheetaddressesavailability,warranty,changes,useinsafety-criticalapplications,
intellectualpropertymattersandotherimportantdisclaimers.PRODUCTIONDATA.
LMV931-N-Q1
LMV932-N-Q1
,
LMV934-N-Q1
SNOSD49–MAY2017
LMV93x-N-Q1AutomotiveSingle,Dual,Quad1.8-V,RRIOOperationalAmplifiers
1
1Features
1
•QualifiedforAutomotiveApplications
•AEC-Q100QualifiedWiththeFollowingResults:
–DeviceTemperatureGrade1:–40°Cto
+125°CAmbientOperatingTemperature
–DeviceHBMESDClassificationLevel02
–DeviceCDMESDClassificationLevelC5
•Typical1.8-VSupplyValues;UnlessOtherwise
Noted
•Specifiedat1.8V,2.7V,and5V
•OutputSwing
–With600-ΩLoad80mVfromRail
–With2-kΩLoad30mVfromRail
•V
CM
200mVBeyondRails
•SupplyCurrent(perChannel)100μA
•GainBandwidthProduct1.4MHz
•MaximumV
OS
4mV
•UltraTinyPackages
•TemperatureRange−40°Cto+125°C
•CreateaCustomDesignUsingtheLMV93x-N-Q1
WiththeWEBENCH
®
PowerDesigner
2Applications
•EngineControlUnits(ECU)
•BodyControlModules(BCM)
•BatteryManagementSystems(BMS)
•UltrasonicRangingandLIDAR
•OccupantDetection
•InfotainmentSystems
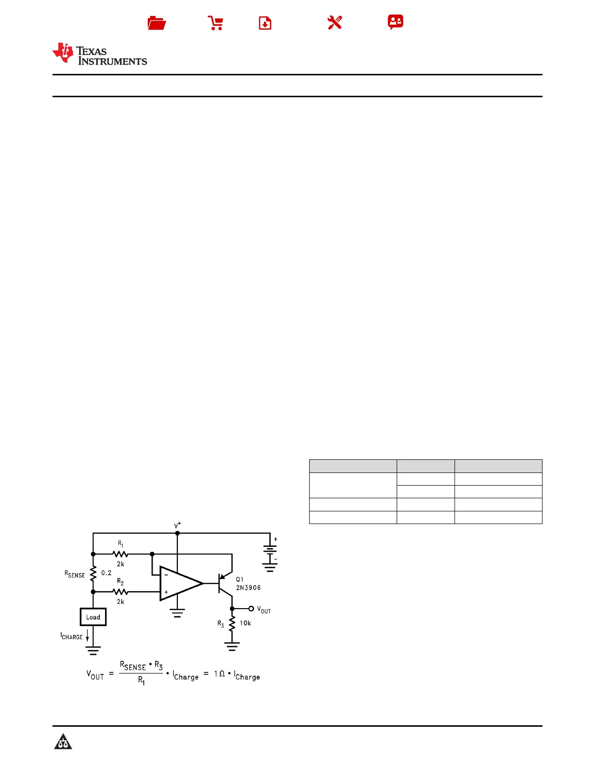
High-SideCurrentSenseAmplifier
3Description
TheLMV93x-N-Q1family(LMV931-N-Q1single,
LMV932-N-Q1dualandLMV934-N-Q1quad)are
low-voltage,low-poweroperationalamplifierswith
AEC-Q100Grade1qualificationforautomotive
applications.TheLMV93x-N-Q1familyoperatesfrom
1.8-Vto5.5-Vsupplyvoltagesandhaverail-to-rail
inputandoutput.Theinputcommon-modevoltage
extends200mVbeyondthesupplieswhichenables
userenhancedfunctionalitybeyondthesupply
voltagerange.Theoutputcanswingrail-to-rail
unloadedandwithin105mVfromtherailwith600-Ω
loadat1.8-Vsupply.TheLMV93x-N-Q1devicesare
optimizedtoworkat1.8V,whichmakethemidealfor
portabletwo-cell,battery-poweredsystemsand
single-cellLi-Ionsystems.
LMV93x-N-Q1devicesexhibitanexcellentspeed-
powerratio,achieving1.4-MHzgainbandwidth
productat1.8-Vsupplyvoltagewithverylowsupply
current.TheLMV93x-N-Q1devicescandrivea600-
Ωloadandupto1000-pFcapacitiveloadwith
minimalringing.ThesedevicesalsohaveahighDC
gainof101dB,makingthemsuitableforlow-
frequencyapplications.
ThesingleLMV93x-N-Q1isofferedinspace-saving
5-pinSC-70andSOT-23packages.Thedual
LMV932-N-Q1isina8-pinSOICpackageandthe
quadLMV934-N-Q1isina14-pinTSSOPpackage.
Thesesmallpackagesareidealsolutionsforarea
constrainedPCboardsinautomotiveapplications.
DeviceInformation
(1)
PARTNUMBERPACKAGEBODYSIZE(NOM)
LMV931-N-Q1
SOT-23(5)2.90mm×1.60mm
SC-70(5)2.00mm×1.25mm
LMV932-N-Q1SOIC(8)4.90mm×3.91mm
LMV934-N-Q1TSSOP(14)5.00mm×4.40mm
(1)Forallavailablepackages,seetheorderableaddendumat
theendofthedatasheet.
Product specificaties
| Merk: | Texas Instruments |
| Categorie: | Niet gecategoriseerd |
| Model: | LMV934-N-Q1 |
Heb je hulp nodig?
Als je hulp nodig hebt met Texas Instruments LMV934-N-Q1 stel dan hieronder een vraag en andere gebruikers zullen je antwoorden
Handleiding Niet gecategoriseerd Texas Instruments
23 April 2026
22 April 2026
21 April 2026
21 April 2026
20 April 2026
14 April 2026
14 April 2026
13 April 2026
13 April 2026
11 April 2026
Handleiding Niet gecategoriseerd
Nieuwste handleidingen voor Niet gecategoriseerd
25 April 2026
25 April 2026
25 April 2026
25 April 2026
24 April 2026
24 April 2026
24 April 2026
24 April 2026
24 April 2026
24 April 2026