California Faucets K30-123 Handleiding
Bekijk gratis de handleiding van California Faucets K30-123 (4 pagina’s), behorend tot de categorie Niet gecategoriseerd. Deze gids werd als nuttig beoordeeld door 14 mensen en kreeg gemiddeld 4.4 sterren uit 9 reviews. Heb je een vraag over California Faucets K30-123 of wil je andere gebruikers van dit product iets vragen? Stel een vraag
Pagina 1/4

KXX-120S-XX_ii_230803 Pg 1
K10-120(S)-XX
K30-120(S)-XX / K30-123(S)-XX
K51-120(S)-XX / K51-123(S)-XX
K81-120(S)-XX / K81-123(S)-XX
Kitchen Bridge Faucet Installation Instructions
IMPORTANT: Read all instructions prior to installation and provide copy of instructions to consumer.
Operating Specifications:
Recommended Supply Pressure: 20 to 70 psi
*†
* Operating pressures between hot and cold supplies should vary no more than 30 psi.
† If water pressure exceeds 70 psi, install a Pressure-Reducing Valve (PRV).
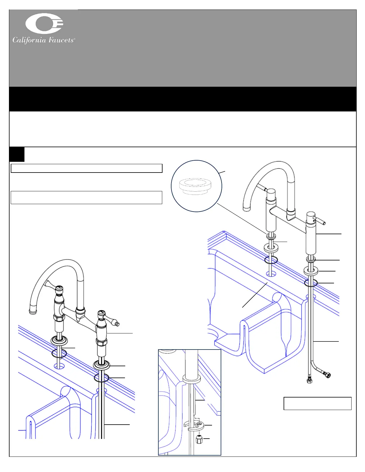
INSTALLING TO SINK/DECK
•Place BUSHING (2) and BASE (3) with O-RING (4)
onto BODY (1)
•
•Slide HOSES (5) through sink/deck hole
•From underside slide BRACKET (6) and NUT (7) onto
mounting ROD (1a); securely tighten NUT (7), repeat
other side
CALIFORNIA FAUCETS RECOMMENDS THAT ALL PLUMBING PRODUCTS BE INSTALLED
BY A LICENSED PROFESSIONAL
1
1
2
3
4
Ø1-3/8”
5
1a
2
K10 Faucet
1
1a
3
4
5
NOTE: If installing a K10 faucet, there will be no BUSHING (2) needed, see
below
NOTE: 2
nd
HOSE (5) on cold
side is for sidespray models only
NOTE: Sink/deck recommended hole size is Ø1-3/8”
6
7
1a
Product specificaties
| Merk: | California Faucets |
| Categorie: | Niet gecategoriseerd |
| Model: | K30-123 |
Heb je hulp nodig?
Als je hulp nodig hebt met California Faucets K30-123 stel dan hieronder een vraag en andere gebruikers zullen je antwoorden
Handleiding Niet gecategoriseerd California Faucets
29 December 2026
28 December 2025
28 December 2025
27 December 2025
25 December 2025
25 December 2025
25 December 2025
Handleiding Niet gecategoriseerd
Nieuwste handleidingen voor Niet gecategoriseerd
22 Januari 2026
22 Januari 2026
22 Januari 2026
22 Januari 2026
22 Januari 2026
22 Januari 2026
22 Januari 2026
22 Januari 2026
22 Januari 2026
22 Januari 2026