Texas Instruments LPV802 Handleiding
Bekijk gratis de handleiding van Texas Instruments LPV802 (30 pagina’s), behorend tot de categorie Niet gecategoriseerd. Deze gids werd als nuttig beoordeeld door 3 mensen en kreeg gemiddeld 4.8 sterren uit 8 reviews. Heb je een vraag over Texas Instruments LPV802 of wil je andere gebruikers van dit product iets vragen? Stel een vraag
Pagina 1/30

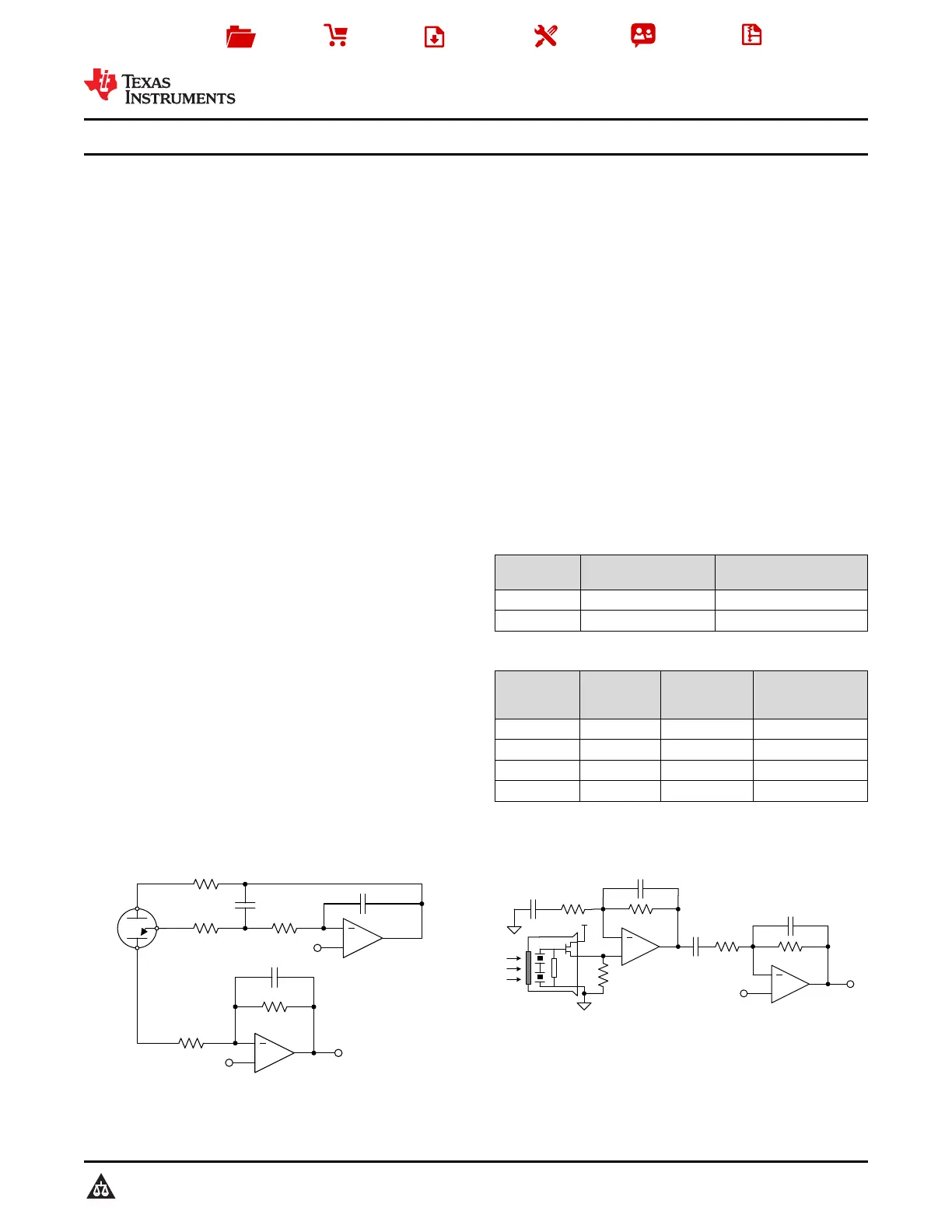
+
V
REF
+
V
REF
R
Load
LPV802a
LPV802b
CE
WE
RE
C
F
R
F
V
OUT
+
Output to
Comparator
LPV802a
IR
+
LPV802b
V
REF
Product
Folder
Sample &
Buy
Technical
Documents
Tools &
Software
Support &
Community
Reference
Design
AnIMPORTANTNOTICEattheendofthisdatasheetaddressesavailability,warranty,changes,useinsafety-criticalapplications,
intellectualpropertymattersandotherimportantdisclaimers.PRODUCTIONDATA.
LPV801,LPV802
SNOSCZ3B–AUGUST2016–REVISEDNOVEMBER2016
LPV801/LPV802320nANanopowerOperationalAmplifiers
1
1Features
1
•NanopowerSupplyCurrent:320nA/channel
•OffsetVoltage:3.5mV(max)
•TcVos:1µV/°C
•UnityGain-Bandwidth:8kHz
•WideSupplyRange:1.6Vto5.5V
•LowInputBiasCurrent:0.1pA
•Unity-GainStable
•Rail-to-RailOutput
•NoOutputReversals
•EMIProtection
•TemperatureRange:–40°Cto125°C
•IndustryStandardPackages:
–Singlein5-pinSOT-23
–Dualin8-pinVSSOP
2Applications
•COandO
2
GasDetectors(TIDA-00854)
•PIRMotionDetectors(TIDA-00489)
•IonizationSmokeAlarms
•Thermostats
•IoTRemoteSensors
•ActiveRFIDReadersandTags
•PortableMedicalEquipment
(1)Forallavailablepackages,seetheorderableaddendumat
theendofthedatasheet.
3Description
TheLPV801(single)andLPV802(dual)comprisea
familyofultra-low-poweroperationalamplifiersfor
sensingapplicationsinbatterypoweredwirelessand
lowpowerwiredequipment.With8kHzofbandwidth
from320nAofquiescentcurrent,theLPV80x
amplifiersminimizepowerconsumptioninequipment
suchasCOdetectors,smokedetectorsandPIR
motiondetectorswhereoperationalbattery-lifeis
critical.
Inadditiontobeingultra-low-power,theLPV80x
amplifiershaveCMOSinputstageswithtypically
femto-ampbiascurrents.TheLPV80xamplifiersalso
featureanegative-railsensinginputstageandarail-
to-railoutputstagethatiscapableofswingingwithin
millivoltsoftherails,maintainingthewidestdynamic
rangepossible.EMIprotectionisdesignedintothe
LPV80xinordertoreducesystemsensitivityto
unwantedRFsignalsfrommobilephones,WiFi,radio
transmittersandtagreaders.
DeviceInformation
(1)
PART
NUMBER
PACKAGEBODYSIZE
LPV801SOT-23(5)2.90mmx1.60mm
LPV802VSSOP(8)3.00mm×3.00mm
LPV8xxFamilyofNanopowerAmplifiers
PART
NUMBER
CHANNELS
SUPPLY
CURRENT
(Typ/Ch)
OFFSET
VOLTAGE
(Max)
LPV8011450nA3.5mV
LPV8022320nA3.5mV
LPV8111450nA370µV
LPV8122425nA300µV
NanopowerAmplifierinElectrochemicalSensorNanopowerAmplifierinPIRMotionDetector
Product specificaties
| Merk: | Texas Instruments |
| Categorie: | Niet gecategoriseerd |
| Model: | LPV802 |
Heb je hulp nodig?
Als je hulp nodig hebt met Texas Instruments LPV802 stel dan hieronder een vraag en andere gebruikers zullen je antwoorden
Handleiding Niet gecategoriseerd Texas Instruments
23 April 2026
22 April 2026
21 April 2026
21 April 2026
20 April 2026
14 April 2026
14 April 2026
13 April 2026
13 April 2026
11 April 2026
Handleiding Niet gecategoriseerd
Nieuwste handleidingen voor Niet gecategoriseerd
25 April 2026
25 April 2026
24 April 2026
24 April 2026
24 April 2026
24 April 2026
24 April 2026
24 April 2026
24 April 2026
24 April 2026