Texas Instruments LP4951C Handleiding
Bekijk gratis de handleiding van Texas Instruments LP4951C (24 pagina’s), behorend tot de categorie Niet gecategoriseerd. Deze gids werd als nuttig beoordeeld door 2 mensen en kreeg gemiddeld 4.3 sterren uit 2 reviews. Heb je een vraag over Texas Instruments LP4951C of wil je andere gebruikers van dit product iets vragen? Stel een vraag
Pagina 1/24

LP4950C-5V,LP4951C
www.ti.com
SNVS208C–SEPTEMBER2002–REVISEDAPRIL2013
LP4950C-5VandLP4951CAdjustableMicropowerVoltageRegulators
CheckforSamples:LP4950C-5V,LP4951C
1
FEATURES
DESCRIPTION
TheLP4950CandLP4951Caremicropowervoltage
2
•HighAccuracy5VSpecified100mAOutput
regulatorswithverylowquiescentcurrent(75μAtyp.)
•ExtremelyLowQuiescentCurrent
andverylowdropoutvoltage(typ.40mVatlightloads
•LowDropoutVoltage
and380mVat100mA).Theyareideallysuitedfor
useinbattery-poweredsystems.Furthermore,the
•ExtremelyTightLoadandLineRegulation
quiescentcurrentoftheLP4950C/LP4951C
•VeryLowTemperatureCoefficient
increasesonlyslightlyindropout,prolongingbattery
•UseasRegulatororReference
life.
•NeedsOnly1μFforStability
TheLP4950Cinthepopular3-pinTO-92packageis
•CurrentandThermalLimiting
pincompatiblewitholder5Vregulators.The8-lead
.
LP4951Cisavailableinaplasticsurfacemount
packageandoffersadditionalsystemfunctions.
LP4951CVERSIONSONLY
Onesuchfeatureisanerrorflagoutputwhichwarns
ofalowoutputvoltage,oftenduetofallingbatteries
•ErrorFlagWarnsofOutputDropout
ontheinput.Itmaybeusedforapower-onreset.A
•Logic-controlledElectronicShutdown
secondfeatureisthelogic-compatibleshutdowninput
•OutputPogrammableFrom1.24to29V
whichenablestheregulatortobeswitchedonand
off.Also,thepartmaybepin-strappedfora5V
outputorprogrammedfrom1.24Vto29Vwithan
externalpairofresistors.
CarefuldesignoftheLP4950C/LP4951Chas
minimizedallcontributionstotheerrorbudget.This
includesatightinitialtolerance(.5%typ.),extremely
goodloadandlineregulation(.05%typ.)andavery
lowoutputvoltagetemperaturecoefficient,making
thepartusefulasalow-powervoltagereference.
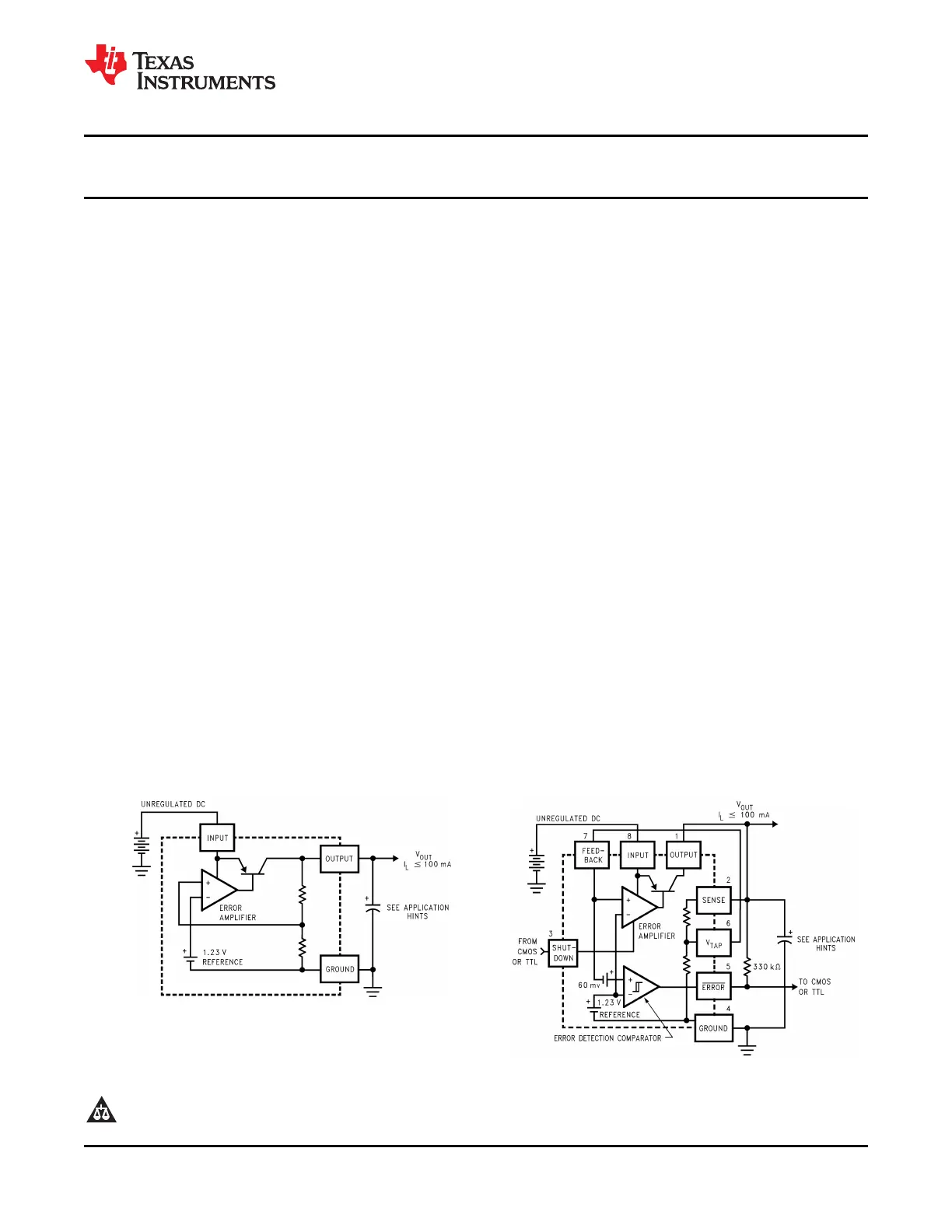
BLOCKDIAGRAMANDTYPICALAPPLICATIONS
LP4950CLP4951C
Figure1.
Figure2.
1
Pleasebeawarethatanimportantnoticeconcerningavailability,standardwarranty,anduseincriticalapplicationsof
TexasInstrumentssemiconductorproductsanddisclaimerstheretoappearsattheendofthisdatasheet.
2Alltrademarksarethepropertyoftheirrespectiveowners.
PRODUCTIONDATAinformationiscurrentasofpublicationdate.
Copyright©2002–2013,TexasInstrumentsIncorporated
ProductsconformtospecificationsperthetermsoftheTexas
Instrumentsstandardwarranty.Productionprocessingdoesnot
necessarilyincludetestingofallparameters.
Product specificaties
| Merk: | Texas Instruments |
| Categorie: | Niet gecategoriseerd |
| Model: | LP4951C |
Heb je hulp nodig?
Als je hulp nodig hebt met Texas Instruments LP4951C stel dan hieronder een vraag en andere gebruikers zullen je antwoorden
Handleiding Niet gecategoriseerd Texas Instruments
23 April 2026
22 April 2026
21 April 2026
21 April 2026
20 April 2026
14 April 2026
14 April 2026
13 April 2026
13 April 2026
11 April 2026
Handleiding Niet gecategoriseerd
Nieuwste handleidingen voor Niet gecategoriseerd
25 April 2026
24 April 2026
24 April 2026
24 April 2026
24 April 2026
24 April 2026
24 April 2026
24 April 2026
24 April 2026
24 April 2026