Texas Instruments LMX2492 Handleiding
Bekijk gratis de handleiding van Texas Instruments LMX2492 (44 pagina’s), behorend tot de categorie Niet gecategoriseerd. Deze gids werd als nuttig beoordeeld door 2 mensen en kreeg gemiddeld 4.8 sterren uit 3 reviews. Heb je een vraag over Texas Instruments LMX2492 of wil je andere gebruikers van dit product iets vragen? Stel een vraag
Pagina 1/44

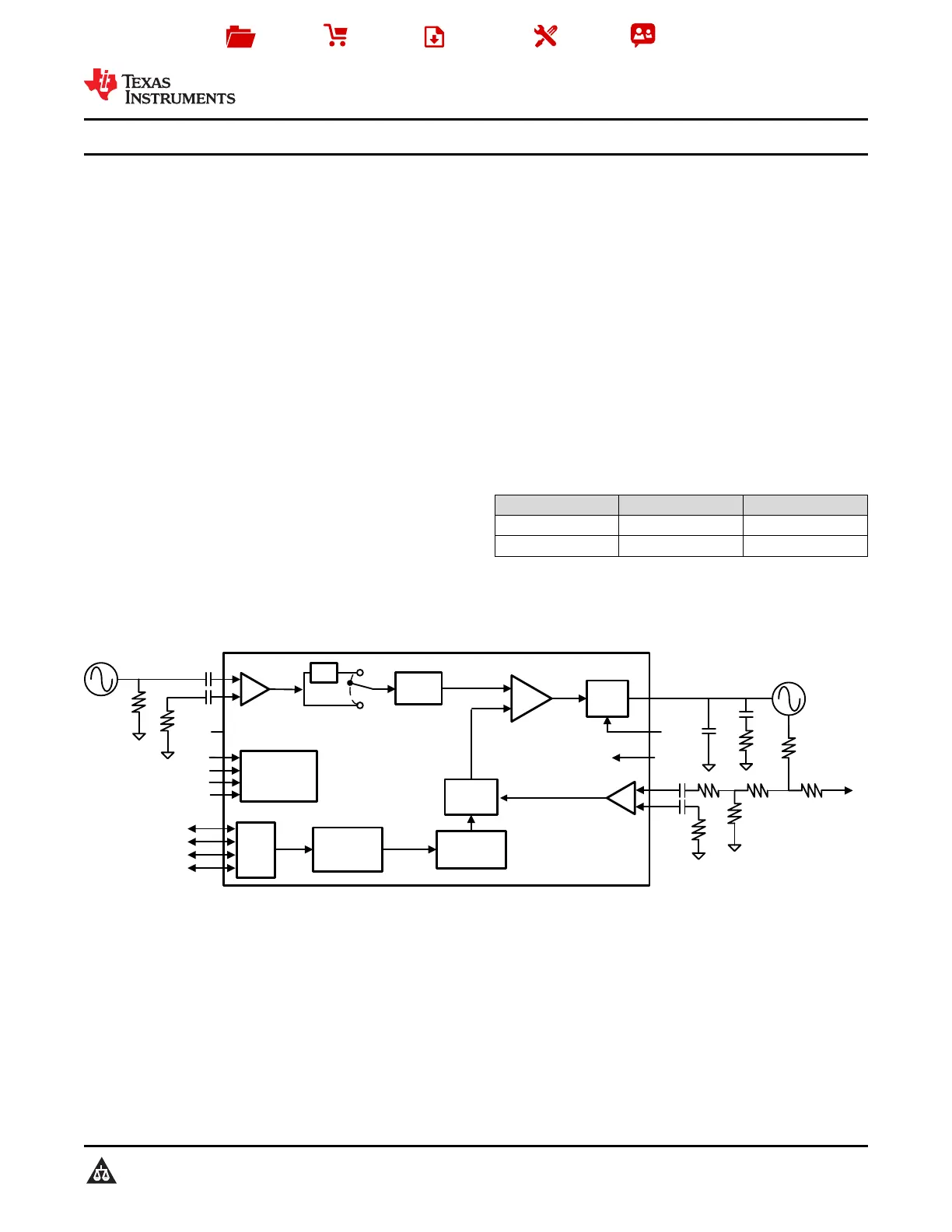
Vcc (x5)
GND (x3)
Fin
Fin*
OSCin
R Divider
(16 bit)
Charge
Pump
CPout
MICROWIRE
Interface
CLK
LE
DATA
CE
GND/OSCin*
2X
Vcp
MUX
MUXout
MOD
TRIG1
TRIG2
Modulation
Generator
N Divider
(18 bit)
6'
Compensation
(24 bit)
18 :
68 :
R2_LF
C2_LF
C1_LF
51 :
51 :
36 :
Phase
Comp
51 :
18 :
18 :
To Circuit
Product
Folder
Sample &
Buy
Technical
Documents
Tools &
Software
Support &
Community
LMX2492
,
LMX2492-Q1
SNAS624B–MARCH2014–REVISEDMAY2015
LMX2492/LMX2492-Q114GHzLowNoiseFractionalNPLLwithRamp/ChirpGeneration
1Features3Description
TheLMX2492/92-Q1isalownoise14GHz
1
•-227dBc/HzNormalizedPLLNoise
widebanddelta-sigmafractionalNPLLwithrampand
•500MHz-14GHzWidebandPLL
chirpgeneration.Itconsistsofaphasefrequency
•3.15-5.25VChargePumpPLLSupply
detector,programmablechargepump,andhigh
frequencyinputfortheexternalVCO.The
•VersatileRamp/ChirpGeneration
LMX2492/92-Q1supportsabroadandflexibleclass
•200MHzMaxPhaseDetectorFrequency
oframpingcapabilities,includingFSK,PSK,and
•FSK/PSKModulationPin
configurablepiecewiselinearFMmodulationprofiles
ofupto8segments.ItsupportsfinePLLresolution
•DigitalLockDetect
andfastrampwithuptoa200MHzphasedetector
•Single3.3VSupplyCapability
rate.TheLMX2492/92-Q1allowsanyofitsregisters
•Automotive125°CQ100Grade1Qualification
tobereadback.TheLMX2492/92-Q1canoperate
•Non-Automotive(LMX2492)Option
withasingle3.3Vsupply.Moreover,supportingupto
5.25Vchargepumpcaneliminatetheneedof
externalamplifier,leadingtoasimplersolutionwith
2Applications
improvedphasenoiseperformance.
•AutomotiveFMCWRadar
•MilitaryRadar
DeviceInformation
•MicrowaveBackhaul
PARTNUMBERPACKAGEBODYSIZE(NOM)
LMX2492-Q1RTWWQFN(24)4.00mmx4.00mm
•TestandMeasurement
LMX2492RTWWQFN(24)4.00mmx4.00mm
•SatelliteCommunications
•WirelessInfrastructure
(1)Forallavailablepackages,seetheorderableaddendumat
theendofthedatasheet.
•SamplingClockforHighSpeedADC/DAC
4SimplifiedSchematic
1
AnIMPORTANTNOTICEattheendofthisdatasheetaddressesavailability,warranty,changes,useinsafety-criticalapplications,
intellectualpropertymattersandotherimportantdisclaimers.PRODUCTIONDATA.
Product specificaties
| Merk: | Texas Instruments |
| Categorie: | Niet gecategoriseerd |
| Model: | LMX2492 |
Heb je hulp nodig?
Als je hulp nodig hebt met Texas Instruments LMX2492 stel dan hieronder een vraag en andere gebruikers zullen je antwoorden
Handleiding Niet gecategoriseerd Texas Instruments
23 April 2026
22 April 2026
21 April 2026
21 April 2026
20 April 2026
14 April 2026
14 April 2026
13 April 2026
13 April 2026
11 April 2026
Handleiding Niet gecategoriseerd
Nieuwste handleidingen voor Niet gecategoriseerd
25 April 2026
25 April 2026
25 April 2026
25 April 2026
24 April 2026
24 April 2026
24 April 2026
24 April 2026
24 April 2026
24 April 2026