Texas Instruments LMX2491 Handleiding
Bekijk gratis de handleiding van Texas Instruments LMX2491 (48 pagina’s), behorend tot de categorie Niet gecategoriseerd. Deze gids werd als nuttig beoordeeld door 2 mensen en kreeg gemiddeld 5.0 sterren uit 5 reviews. Heb je een vraag over Texas Instruments LMX2491 of wil je andere gebruikers van dit product iets vragen? Stel een vraag
Pagina 1/48

Vcc (x5)
GND (x3)
Fin
Fin*
OSCin
R Divider
(16 bit)
Charge
Pump
CPout
MICROWIRE
Interface
CLK
LE
DATA
CE
GND/OSCin*
2X
Vcp
MUX
MUXout
MOD
TRIG1
TRIG2
Modulation
Generator
N Divider
(18 bit)
û
Compensation
(24 bit)
18 Ÿ
68 Ÿ
R2_LF
C2_LF
C1_LF
51 Ÿ
51 Ÿ
36 Ÿ
Phase
Comp
51 Ÿ
18 Ÿ
18 Ÿ
To Circuit
Copyright © 2016, Texas Instruments Incorporated
Product
Folder
Order
Now
Technical
Documents
Tools &
Software
Support &
Community
AnIMPORTANTNOTICEattheendofthisdatasheetaddressesavailability,warranty,changes,useinsafety-criticalapplications,
intellectualpropertymattersandotherimportantdisclaimers.PRODUCTIONDATA.
LMX2491
SNAS711A–OCTOBER2016–REVISEDJANUARY2017
LMX24916.4-GHzLowNoiseRFPLLWithRamp/ChirpGeneration
1
1Features
1
•–227-dBc/HzNormalizedPLLNoise
•500-MHzto6.4-GHzWidebandPLL
•3.15-Vto5.25-VChargePumpPLLSupply
•VersatileRamp/ChirpGeneration
•200-MHzMaximumPhaseDetectorFrequency
•FSK/PSKModulationPin
•DigitalLockDetect
•Single3.3-VSupplyCapability
2Applications
•FMCWRadars
•MilitaryRadars
•MicrowaveBackhaul
•TestandMeasurement
•SatelliteCommunications
•WirelessInfrastructure
•SamplingClockforHigh-SpeedADC/DAC
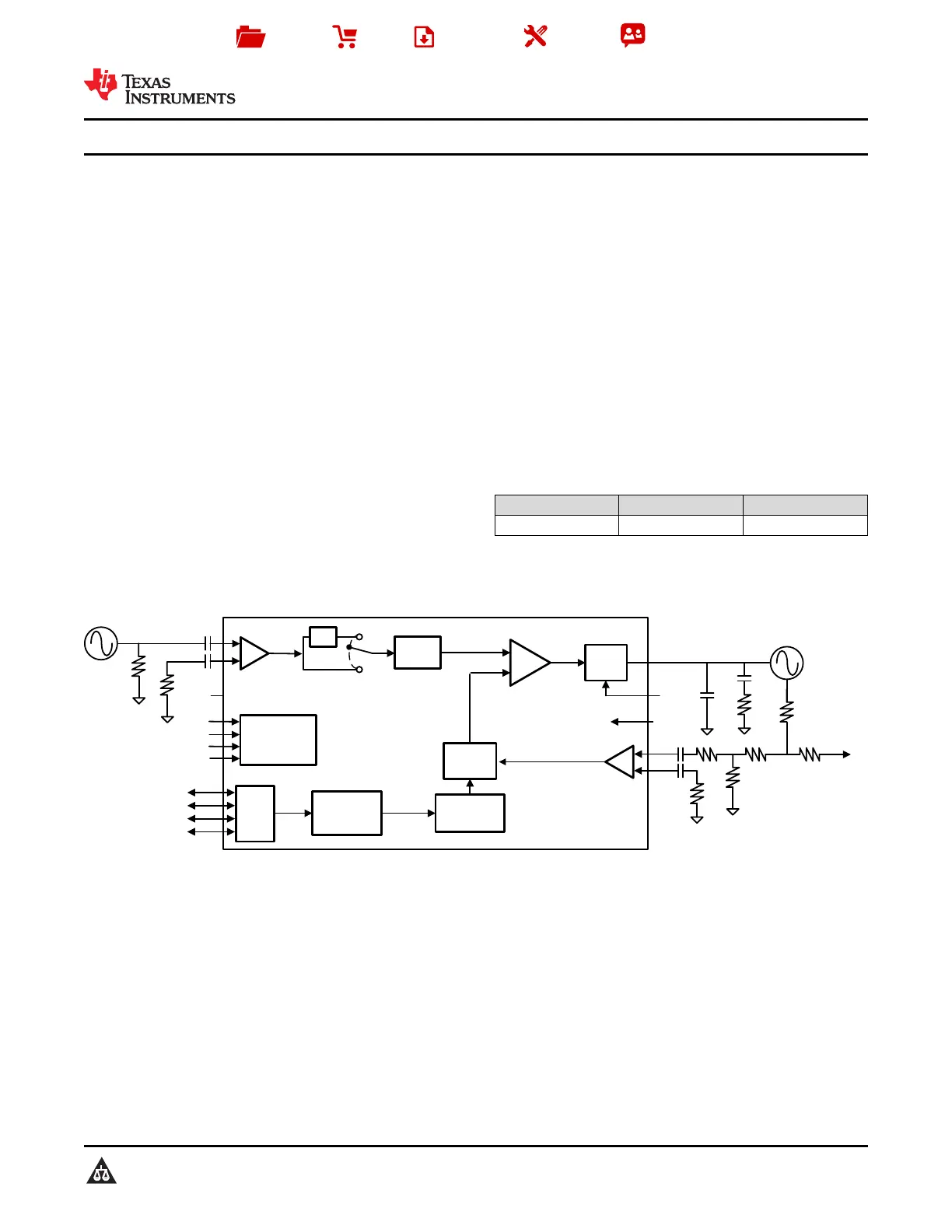
3Description
TheLMX2491deviceisalow-noise,6.4-GHz
widebanddelta-sigmafractionalNPLLwithrampand
chirpgeneration.Itconsistsofaphasefrequency
detector,programmablechargepump,andhigh
frequencyinputfortheexternalVCO.TheLMX2491
supportsabroadandflexibleclassoframping
capabilities,includingFSK,PSK,andconfigurable
piecewiselinearFMmodulationprofilesofupto8
segments.ItsupportsfinePLLresolutionandfast
rampwithuptoa200-MHzphasedetectorrate.The
LMX2491allowsanyofitsregisterstobereadback.
TheLMX2491canoperatewithasingle3.3-Vsupply.
Moreover,supportingupto5.25-Vchargepumpcan
eliminatetheneedofexternalamplifier,leadingtoa
simplersolutionwithimprovedphasenoise
performance.
DeviceInformation
PARTNUMBERPACKAGEBODYSIZE(NOM)
LMX2491WQFN(24)4.00mm×4.00mm
(1)Forallavailablepackages,seetheorderableaddendumat
theendofthedatasheet.
SimplifiedSchematic
Product specificaties
| Merk: | Texas Instruments |
| Categorie: | Niet gecategoriseerd |
| Model: | LMX2491 |
Heb je hulp nodig?
Als je hulp nodig hebt met Texas Instruments LMX2491 stel dan hieronder een vraag en andere gebruikers zullen je antwoorden
Handleiding Niet gecategoriseerd Texas Instruments
23 April 2026
22 April 2026
21 April 2026
21 April 2026
20 April 2026
14 April 2026
14 April 2026
13 April 2026
13 April 2026
11 April 2026
Handleiding Niet gecategoriseerd
Nieuwste handleidingen voor Niet gecategoriseerd
25 April 2026
25 April 2026
25 April 2026
25 April 2026
24 April 2026
24 April 2026
24 April 2026
24 April 2026
24 April 2026
24 April 2026