Texas Instruments LM5033 Handleiding
Bekijk gratis de handleiding van Texas Instruments LM5033 (26 pagina’s), behorend tot de categorie Niet gecategoriseerd. Deze gids werd als nuttig beoordeeld door 2 mensen en kreeg gemiddeld 4.8 sterren uit 5 reviews. Heb je een vraag over Texas Instruments LM5033 of wil je andere gebruikers van dit product iets vragen? Stel een vraag
Pagina 1/26

+
ISOLATED
FEEDBACK
COMP
GNDSS
RT
REF
VCC
VIN
OUT1
OUT2
CS
LM5033
V
IN
V
OUT
Copyright © 2016,Texas Instruments Incorporated
Product
Folder
Sample &
Buy
Technical
Documents
Tools &
Software
Support &
Community
AnIMPORTANTNOTICEattheendofthisdatasheetaddressesavailability,warranty,changes,useinsafety-criticalapplications,
intellectualpropertymattersandotherimportantdisclaimers.PRODUCTIONDATA.
LM5033
SNVS181C–APRIL2004–REVISEDAUGUST2016
LM5033100-VPush-PullVoltageModePWMController
1
1Features
1
•InternalHigh-Voltage(100V)Start-UpRegulator
•SingleResistorOscillatorSetting
•Synchronizable
•PrecisionReferenceOutput
•AdjustableSoftStart
•OvercurrentProtection
•DirectOptocouplerInterface
•1.5-APeakGateDrivers
•ThermalShutdown
2Applications
•IntermediateDC-DCBusConverter
•TelecommunicationPowerConverters
•IndustrialPowerConverters
•42-VAutomotiveSystems
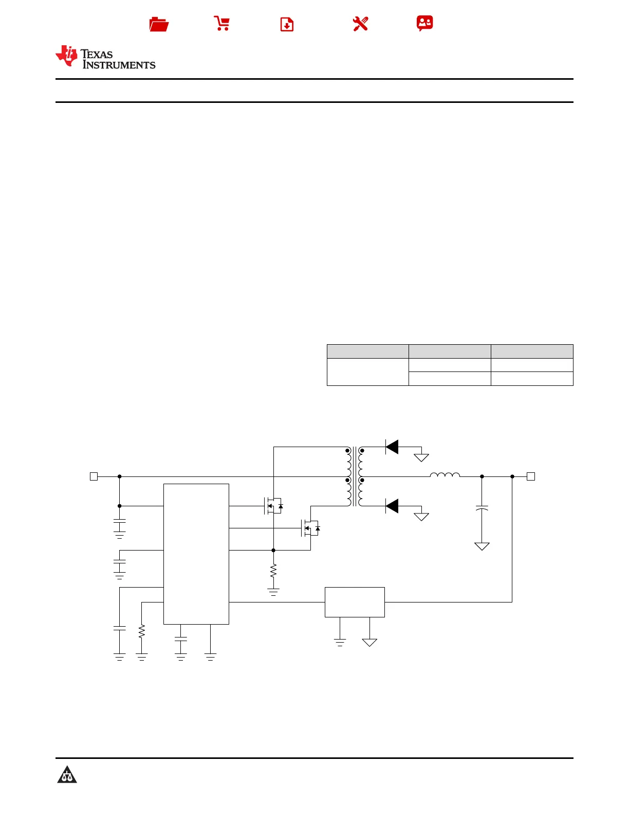
3Description
TheLM5033high-voltagePWMcontrollercontainsall
thefeaturesnecessarytoimplementpush-pull,half-
bridge,andfull-bridgetopologies.Applications
includeclosed-loopvoltagemodeconverterswitha
highlyregulatedoutputvoltage,oropen-loopDC
transformerssuchasanIntermediatebusconverter
(IBC)withanefficiencygreaterthan95%.Two
alternatinggatedriveroutputswithaspecified
deadtimeareprovided.
TheLM5033includesastart-upregulatorthat
operatesoverawideinputrangefrom15Vto100V.
Additionalfeaturesinclude:precisionvoltage
referenceoutput,currentlimitdetection,remote
shutdown,softstart,synccapability,andthermal
shutdown.Thishigh-speedIChastotalpropagation
delayslessthan100nsanda1-MHzcapable
oscillator.
DeviceInformation
(1)
PARTNUMBERPACKAGEBODYSIZE(NOM)
LM5033
VSSOP(10)3.00mm×3.00mm
WSON(10)4.00mm×4.00mm
(1)Forallavailablepackages,seetheorderableaddendumat
theendofthedatasheet.
TypicalApplicationCircuit
Product specificaties
| Merk: | Texas Instruments |
| Categorie: | Niet gecategoriseerd |
| Model: | LM5033 |
Heb je hulp nodig?
Als je hulp nodig hebt met Texas Instruments LM5033 stel dan hieronder een vraag en andere gebruikers zullen je antwoorden
Handleiding Niet gecategoriseerd Texas Instruments
23 April 2026
22 April 2026
21 April 2026
21 April 2026
20 April 2026
14 April 2026
14 April 2026
13 April 2026
13 April 2026
11 April 2026
Handleiding Niet gecategoriseerd
Nieuwste handleidingen voor Niet gecategoriseerd
25 April 2026
25 April 2026
24 April 2026
24 April 2026
24 April 2026
24 April 2026
24 April 2026
24 April 2026
24 April 2026
24 April 2026