Texas Instruments LM339-MIL Handleiding
Texas Instruments Niet gecategoriseerd LM339-MIL
Bekijk gratis de handleiding van Texas Instruments LM339-MIL (24 pagina’s), behorend tot de categorie Niet gecategoriseerd. Deze gids werd als nuttig beoordeeld door 2 mensen en kreeg gemiddeld 5.0 sterren uit 4 reviews. Heb je een vraag over Texas Instruments LM339-MIL of wil je andere gebruikers van dit product iets vragen? Stel een vraag
Pagina 1/24

Product
Folder
Order
Now
Technical
Documents
Tools &
Software
Support &
Community
AnIMPORTANTNOTICEattheendofthisdatasheetaddressesavailability,warranty,changes,useinsafety-criticalapplications,
intellectualpropertymattersandotherimportantdisclaimers.PRODUCTIONDATA.
LM339-MIL
SNOSD54–JUNE2017
LM339-MILLow-PowerLow-OffsetVoltageQuadComparator
1
1Features
1
•WideSupplyVoltageRange
•2to36V
DC
or±1to±18V
DC
•Very-LowSupplyCurrentDrain(0.8mA)—
IndependentofSupplyVoltage
•LowInputBiasingCurrent:25nA
•LowInputOffsetCurrent:±5nA
•OffsetVoltage:±3mV
•InputCommon-ModeVoltageRangeIncludes
GND
•DifferentialInputVoltageRangeEqualtothe
PowerSupplyVoltage
•LowOutputSaturationVoltage:250mVat4mA
•OutputVoltageCompatibleWithTTL,DTL,ECL,
MOS,andCMOSLogicSystems
•Advantages:
–High-PrecisionComparators
–ReducedV
OS
DriftOvertemperature
–EliminatesNeedforDualSupplies
–AllowsSensingNearGND
–CompatibleWithAllFormsofLogic
–PowerDrainSuitableforBatteryOperation
2Applications
•LimitComparators
•SimpleAnalog-to-DigitalConverters(ADCs)
•Pulse,Squarewave,andTimeDelayGenerators
•WideRangeVCO;MOSClockTimers
•MultivibratorsandHigh-VoltageDigitalLogic
Gates
3Description
TheLM339-MILdeviceconsistsoffourindependent
precisionvoltagecomparatorswithanoffsetvoltage
specificationaslowas2mVmaximumforallfour
comparators.Thesecomparatorsweredesigned
specificallytooperatefromasinglepowersupply
overawiderangeofvoltages.Operationfromsplit
powersuppliesisalsopossibleandthelow-power
supplycurrentdrainisindependentofthemagnitude
ofthepowersupplyvoltage.Thesecomparatorsalso
haveauniquecharacteristicinthattheinput
common-modevoltagerangeincludesground,even
thoughtheyareoperatedfromasinglepowersupply
voltage.
TheLM339-MILdevicewasdesignedtodirectly
interfacewithTTLandCMOS.Whenoperatedfrom
bothplusandminuspowersupplies,thedevice
directlyinterfaceswithMOSlogicwherethelow-
powerdrainoftheLM339-MILisadistinctadvantage
overstandardcomparators.
DeviceInformation
(1)
PARTNUMBERPACKAGEBODYSIZE(NOM)
LM339-MIL
CDIP(14)19.56mm×6.67mm
SOIC(14)8.65mm×3.91mm
PDIP(14)19.177mm×6.35mm
(1)Forallavailablepackages,seetheorderableaddendumat
theendofthedatasheet.
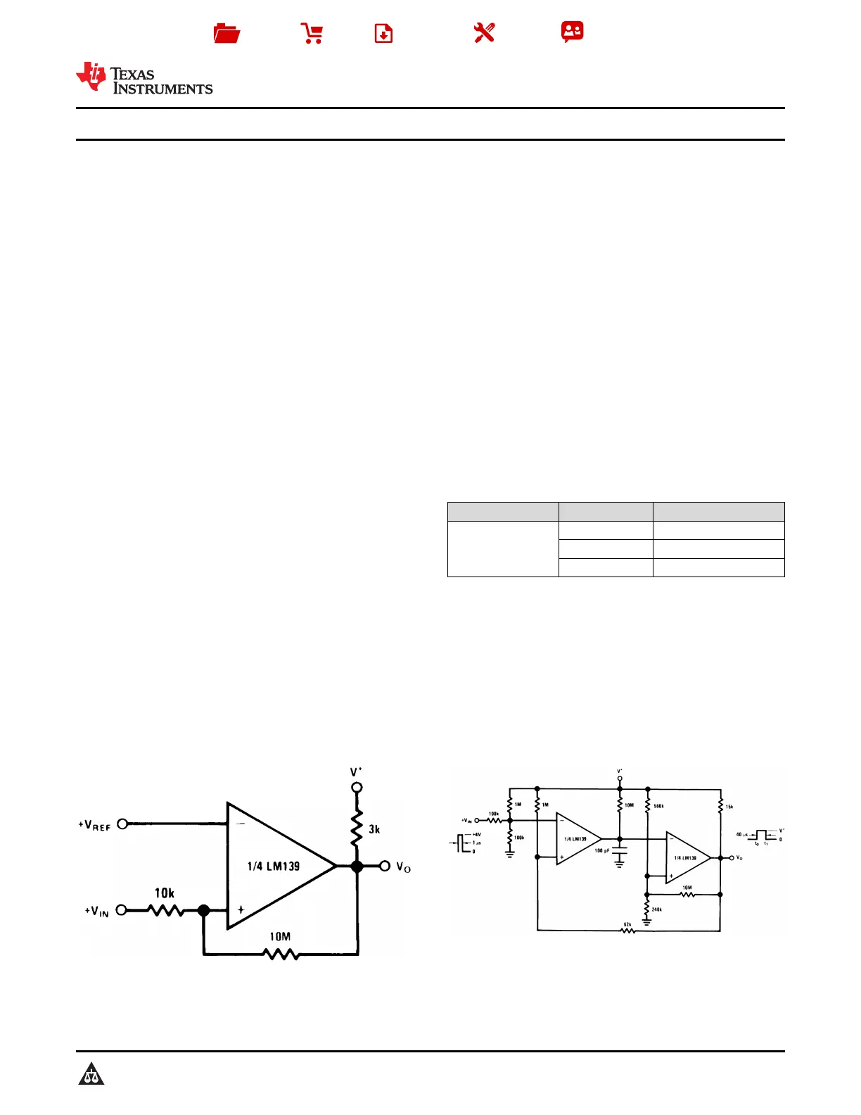
NoninvertingComparatorWithHysteresisOne-ShotMultivibratorWithInputLockout
Product specificaties
| Merk: | Texas Instruments |
| Categorie: | Niet gecategoriseerd |
| Model: | LM339-MIL |
Heb je hulp nodig?
Als je hulp nodig hebt met Texas Instruments LM339-MIL stel dan hieronder een vraag en andere gebruikers zullen je antwoorden
Handleiding Niet gecategoriseerd Texas Instruments
23 April 2026
22 April 2026
21 April 2026
21 April 2026
20 April 2026
14 April 2026
14 April 2026
13 April 2026
13 April 2026
11 April 2026
Handleiding Niet gecategoriseerd
Nieuwste handleidingen voor Niet gecategoriseerd
24 April 2026
24 April 2026
24 April 2026
24 April 2026
24 April 2026
24 April 2026
24 April 2026
24 April 2026
24 April 2026
24 April 2026