Texas Instruments LM27952 Handleiding
Bekijk gratis de handleiding van Texas Instruments LM27952 (17 pagina’s), behorend tot de categorie Niet gecategoriseerd. Deze gids werd als nuttig beoordeeld door 2 mensen en kreeg gemiddeld 4.5 sterren uit 6 reviews. Heb je een vraag over Texas Instruments LM27952 of wil je andere gebruikers van dit product iets vragen? Stel een vraag
Pagina 1/17

LM27952
V
IN
C
2
+
C
2
-
D1
3.3 µF
1 µF
V
OUT
3.3 µF
D4
PWM
C
1
+
C
1
-
1 µF
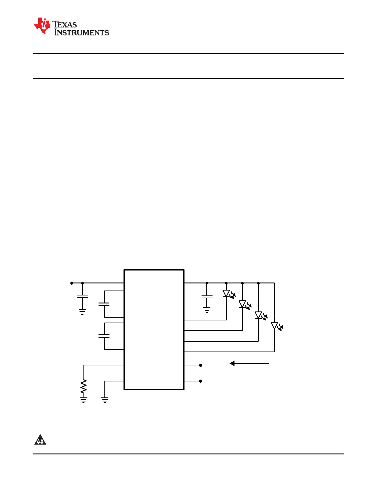
Capacitors: 1 µF - TDK C1608X7R1A105K
3.3 µF - TDK C2012X7R1A335K
or equivalent
V
IN
= 3.0V - 5.5V
I
DX
= 30 mA max
I
SET
GND
EN
D2
D3
R
SET
D
4
D
3
D
2
D
1
C
OUT
C
IN
C
1
C
2
LM27952
www.ti.com
SNVS364B–MAY2005–REVISEDMAY2013
LM27952WhiteLEDAdaptive1.5X/1XSwitchedCapacitorCurrentDriver
CheckforSamples:LM27952
1
FEATURES
APPLICATIONS
2
•Drivesupto4LEDswithupto30mAeach
•WhiteLEDDisplayBacklights
•Regulatedcurrentsourceswith0.2%(typ.)•WhiteLEDKeypadBacklights
matching
•GeneralPurposeLEDLighting
•3/2x,1xGaintransitionbasedonLEDV
F
DESCRIPTION
•PeakEfficiencyOver85%
TheLM27952isaswitchedcapacitorwhite-LED
•InputVoltageRange:3.0Vto5.5V
drivercapableofdrivingupto4LEDswith30mA
•PWMBrightnessControl
througheachLED.Its4tightlyregulatedcurrentsinks
•VerySmallSolutionSize-NOINDUCTOR
ensureexcellentLEDcurrentandbrightness
matching.LEDdrivecurrentisprogrammedbyan
•Fixed750kHzSwitchingFrequency
externalsenseresistor.TheLM27952operatesover
•<1µAShutdownCurrent
aninputvoltagerangefrom3.0Vto5.5Vandrequires
•14-pinWSONPackage:4.0mmX3.0mmX
onlyfourlow-costceramiccapacitors.
0.8mm
TheLM27952providesexcellentefficiencywithout
theuseofaninductorbyoperatingthechargepump
inagainof3/2,orinagainof1.Maximumefficiency
isachievedovertheinputvoltagerangebyactively
selectingthepropergainbasedontheLEDforward
voltagerequirements.
TypicalApplicationCircuit
1
Pleasebeawarethatanimportantnoticeconcerningavailability,standardwarranty,anduseincriticalapplicationsof
TexasInstrumentssemiconductorproductsanddisclaimerstheretoappearsattheendofthisdatasheet.
2Alltrademarksarethepropertyoftheirrespectiveowners.
PRODUCTIONDATAinformationiscurrentasofpublicationdate.
Copyright©2005–2013,TexasInstrumentsIncorporated
ProductsconformtospecificationsperthetermsoftheTexas
Instrumentsstandardwarranty.Productionprocessingdoesnot
necessarilyincludetestingofallparameters.
Product specificaties
| Merk: | Texas Instruments |
| Categorie: | Niet gecategoriseerd |
| Model: | LM27952 |
Heb je hulp nodig?
Als je hulp nodig hebt met Texas Instruments LM27952 stel dan hieronder een vraag en andere gebruikers zullen je antwoorden
Handleiding Niet gecategoriseerd Texas Instruments
23 April 2026
22 April 2026
21 April 2026
21 April 2026
20 April 2026
14 April 2026
14 April 2026
13 April 2026
13 April 2026
11 April 2026
Handleiding Niet gecategoriseerd
Nieuwste handleidingen voor Niet gecategoriseerd
25 April 2026
25 April 2026
25 April 2026
25 April 2026
25 April 2026
25 April 2026
25 April 2026
25 April 2026
25 April 2026
24 April 2026