Texas Instruments LM25101 Handleiding
Bekijk gratis de handleiding van Texas Instruments LM25101 (39 pagina’s), behorend tot de categorie Niet gecategoriseerd. Deze gids werd als nuttig beoordeeld door 2 mensen en kreeg gemiddeld 4.1 sterren uit 2 reviews. Heb je een vraag over Texas Instruments LM25101 of wil je andere gebruikers van dit product iets vragen? Stel een vraag
Pagina 1/39

LM25101
PWM
Controller
VIN
T1
R
GATE
C
BOOT
0.1µF
1.0µF
VDD
VCC
OUT1
OUT2
VDD
HI
LI
VSS
HS
LO
HO
HB
Optional external
fast recovery diode
R
BOOT
R
GATE
D
BOOT
Anti-Parallel Diode
(Optional)
Copyright © 2016, Texas Instruments Incorporated
Product
Folder
Sample &
Buy
Technical
Documents
Tools &
Software
Support &
Community
Reference
Design
AnIMPORTANTNOTICEattheendofthisdatasheetaddressesavailability,warranty,changes,useinsafety-criticalapplications,
intellectualpropertymattersandotherimportantdisclaimers.PRODUCTIONDATA.
LM25101
SNVS859C–JULY2012–REVISEDSEPTEMBER2016
LM251013-A,2-A,and1-A80-VHalf-BridgeGateDrivers
1
1Features
1
•IndependentHighandLowDriverLogicInputs
•BootstrapSupplyVoltageupto100-VDC
•DrivesBothaHigh-SideandLow-SideN-Channel
MOSFETs
•FastPropagationTimes(25nsTypical)
•Drives1000-pFLoadWith8-nsRiseandFall
Times
•ExcellentPropagationDelayMatching(3ns
Typical)
•SupplyRailUndervoltageLockout
•LowPowerConsumption
•PinCompatibleWithHIP2100andHIP2101
2Applications
•Motor-ControlledDrivers
•HalfandFullBridgePowerConverters
•SynchronousBuckConverters
•TwoSwitchForwardPowerConverters
•ForwardWithActiveClampConverters
•48-VServerPower
•SolarDC-DCandDC-ACConverters
3Description
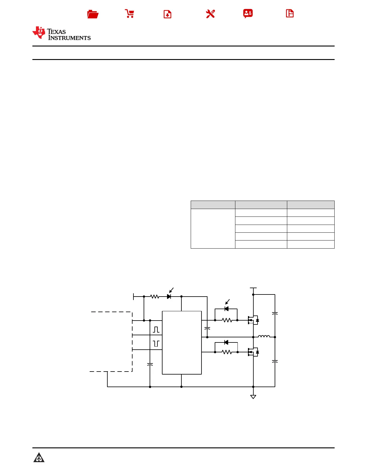
TheLM25101high-voltagegatedriverisdesignedto
driveboththehigh-sideandthelow-sideN-Channel
MOSFETsinasynchronousbuckorahalf-bridge
configuration.TheAversionprovidesafull3-Aof
gatedrivewhiletheBandCversionsprovide2-A
and1-A,respectively.Theoutputsareindependently
controlledwithTTLinputthresholds.Anintegrated
highvoltagediodeisprovidedtochargethehigh-side
gatedrivebootstrapcapacitor.Arobustlevelshifter
operatesathighspeedwhileconsuminglowpower
andprovidingcleanleveltransitionsfromthecontrol
logictothehigh-sidegatedriver.Undervoltage
lockoutisprovidedonboththelow-sideandthehigh-
sidepowerrails.
Thesedevicesareavailableinthestandard8-pin
SOIC,8-pinSO-PowerPAD,8-pinWSON,10-pin
WSON,and8-pinMSOPPowerPADpackages.
DeviceInformation
(1)
PARTNUMBERPACKAGEBODYSIZE(NOM)
LM25101
MSOPPowerPAD(8)3mm×3mm
WSON(8)4mm×4mm
WSON(10)4mm×4mm
SOPowerPAD(8)3.9mm×4.89mm
SOIC(8)3.91mm×4.9mm
(1)Forallavailablepackages,seetheorderableaddendumat
theendofthedatasheet.
SimplifiedApplicationDiagram
Product specificaties
| Merk: | Texas Instruments |
| Categorie: | Niet gecategoriseerd |
| Model: | LM25101 |
Heb je hulp nodig?
Als je hulp nodig hebt met Texas Instruments LM25101 stel dan hieronder een vraag en andere gebruikers zullen je antwoorden
Handleiding Niet gecategoriseerd Texas Instruments
23 April 2026
22 April 2026
21 April 2026
21 April 2026
20 April 2026
14 April 2026
14 April 2026
13 April 2026
13 April 2026
11 April 2026
Handleiding Niet gecategoriseerd
Nieuwste handleidingen voor Niet gecategoriseerd
25 April 2026
24 April 2026
24 April 2026
24 April 2026
24 April 2026
24 April 2026
24 April 2026
24 April 2026
24 April 2026
24 April 2026