Texas Instruments LM10000 Handleiding
Bekijk gratis de handleiding van Texas Instruments LM10000 (23 pagina’s), behorend tot de categorie Niet gecategoriseerd. Deze gids werd als nuttig beoordeeld door 8 mensen en kreeg gemiddeld 4.5 sterren uit 5 reviews. Heb je een vraag over Texas Instruments LM10000 of wil je andere gebruikers van dit product iets vragen? Stel een vraag
Pagina 1/23

VIN
VOUT
RTN
0.6V - 1.2V, 20A
Single or Multi-Phase
Controller or Switcher
External
Controller
Slave Regulator
VOUT
HPM
CORE
APC 2
AVS
2
PWRGD
Enable
CNTL_EN
FLT_N
EN_BIAS
CONTROL
VPWI
VDD
ADDR
IAVS
SPWI
SCLK
RESET_N
AGND
AGND
0 PA ± 60 PA, 7 bit
3V ± 5.5V
V I/O
LM10000
ASIC/FPGA
VIN
HG
LG
PGN
D
FB
LM10000
www.ti.com
SNVS643C–JUNE2010–REVISEDAPRIL2013
AVSSystemController
CheckforSamples:LM10000
1
FEATURES
KEYSPECIFICATIONS
23
•FlexibleEnableInputstoAllowIndependent
•PWI2.0Interface
EnableControlofExternalControllerand
•AVSControlforOneOutput
LM10000
•PrecisionEnable
•FaultInputRestoresOutputVoltageSettingto
DefaultValue
DESCRIPTION
•CNTL_ENOutputThatEnables/Disables
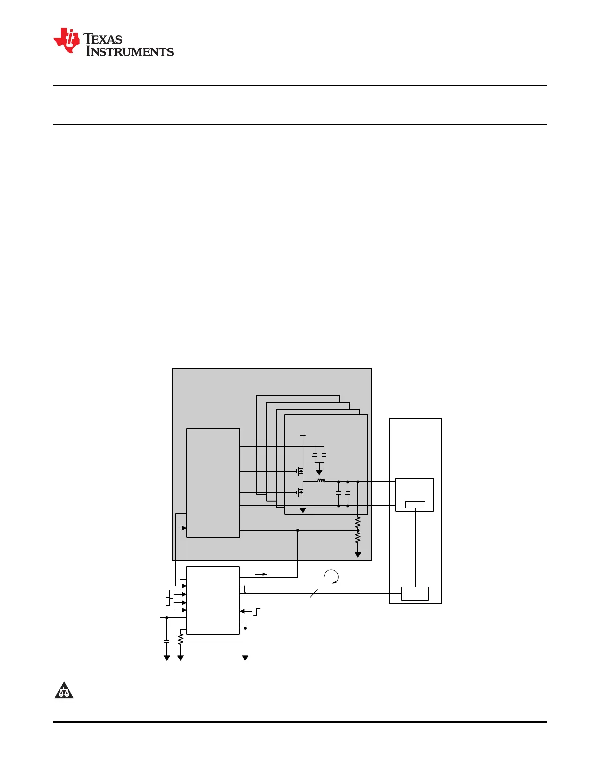
TheLM10000isusedtoenableAdaptiveVoltage
ExternalController
Scaling(AVS)tonon-AVSregulators.Itincludesa
completeSlavePowerController(SPC2.0)to
•7-BitCurrentDACThatCanDirectlyConnect
communicatetothePowerWise™Interface(PWI
totheFeedbackNodeofanExternalController
2.0),andaprogrammablecurrentoutputDACthat
andProvideSmoothVoltageControl
allowsvoltagecontroltoanyregulatorutilizinga
•ProgrammableSlewRateControl
feedbacknode/resistorstosettheoutputvoltage.
InadditiontoenablingAVStheLM10000allowsthe
APPLICATIONS
systemtocontrolpowerstatessuchassleepand
•AVS-EnabledASICsandFPGAs
shutdown,andtoconfigurethevoltagestepslewrate
fromthePWI.
TYPICALAPPLICATIONCIRCUIT
1
Pleasebeawarethatanimportantnoticeconcerningavailability,standardwarranty,anduseincriticalapplicationsof
TexasInstrumentssemiconductorproductsanddisclaimerstheretoappearsattheendofthisdatasheet.
2PowerWiseisatrademarkofTexasInstruments.
3Allothertrademarksarethepropertyoftheirrespectiveowners.
PRODUCTIONDATAinformationiscurrentasofpublicationdate.
Copyright©2010–2013,TexasInstrumentsIncorporated
ProductsconformtospecificationsperthetermsoftheTexas
Instrumentsstandardwarranty.Productionprocessingdoesnot
necessarilyincludetestingofallparameters.
Product specificaties
| Merk: | Texas Instruments |
| Categorie: | Niet gecategoriseerd |
| Model: | LM10000 |
Heb je hulp nodig?
Als je hulp nodig hebt met Texas Instruments LM10000 stel dan hieronder een vraag en andere gebruikers zullen je antwoorden
Handleiding Niet gecategoriseerd Texas Instruments
23 April 2026
22 April 2026
21 April 2026
21 April 2026
20 April 2026
14 April 2026
14 April 2026
13 April 2026
13 April 2026
11 April 2026
Handleiding Niet gecategoriseerd
Nieuwste handleidingen voor Niet gecategoriseerd
25 April 2026
25 April 2026
25 April 2026
25 April 2026
25 April 2026
25 April 2026
25 April 2026
25 April 2026
25 April 2026
24 April 2026