Texas Instruments AM26LS31 Handleiding
Texas Instruments Niet gecategoriseerd AM26LS31
Bekijk gratis de handleiding van Texas Instruments AM26LS31 (34 pagina’s), behorend tot de categorie Niet gecategoriseerd. Deze gids werd als nuttig beoordeeld door 3 mensen en kreeg gemiddeld 4.7 sterren uit 3 reviews. Heb je een vraag over Texas Instruments AM26LS31 of wil je andere gebruikers van dit product iets vragen? Stel een vraag
Pagina 1/34

AM26LS31 Quadruple Differential Line Driver
1 Features
•Meets or exceeds the requirements of ANSI TIA/
EIA-422-B and ITU
•Operates from a single 5V supply
•TTL-Compatible
•Complementary outputs
•High output impedance in power-off conditions
•Complementary output-enable inputs
•Available MIL-PRF-38535-qualified options (M):
All parameters are tested unless otherwise noted.
On all other products, production processing does
not necessarily include testing of all parameters.
2 Applications
•Motor encoders
•Field transmitters: pressure sensors and
temperature sensors
•Military and avionics imaging
•Temperature sensors or controllers using modbus
3 Description
The AM26LS31CN-E family of devices is a quadruple
complementary-output line driver designed to meet
the requirements of ANSI TIA/EIA-422-B and ITU
(formerly CCITT) Recommendation V.11. The 3-
state outputs have high-current capability for driving
balanced lines such as twisted-pair or parallel-wire
transmission lines, and are in the high-impedance
state in the power-off condition. The enable function
is common to all four drivers and offers the choice of
an active-high or active-low enable (G, G) input. Low-
power Schottky circuitry reduces power consumption
without sacrificing speed.
Package Information
PART NUMBERPACKAGE
(1)
PACKAGE SIZE
(2)
AM26LS31MFKLCCC (20)8.89mm × 8.89mm
AM26LS31MJCDIP (16)19.6mm × 6.92mm
AM26LS31MWCFP (16)10.3mm × 6.73mm
AM26LS31CDSOIC (16)9.9mm × 3.91mm
AM26LS31CDBSSOP (16)6.2mm × 5.3mm
AM26LS31CN-EPDIP (16)19.3mm × 6.35mm
AM26LS31xNSSO (16)10.3mm × 5.3mm
(1)For more information, see Section 11.
(2)The package size (length × width) is a nominal value and
includes pins, where applicable.
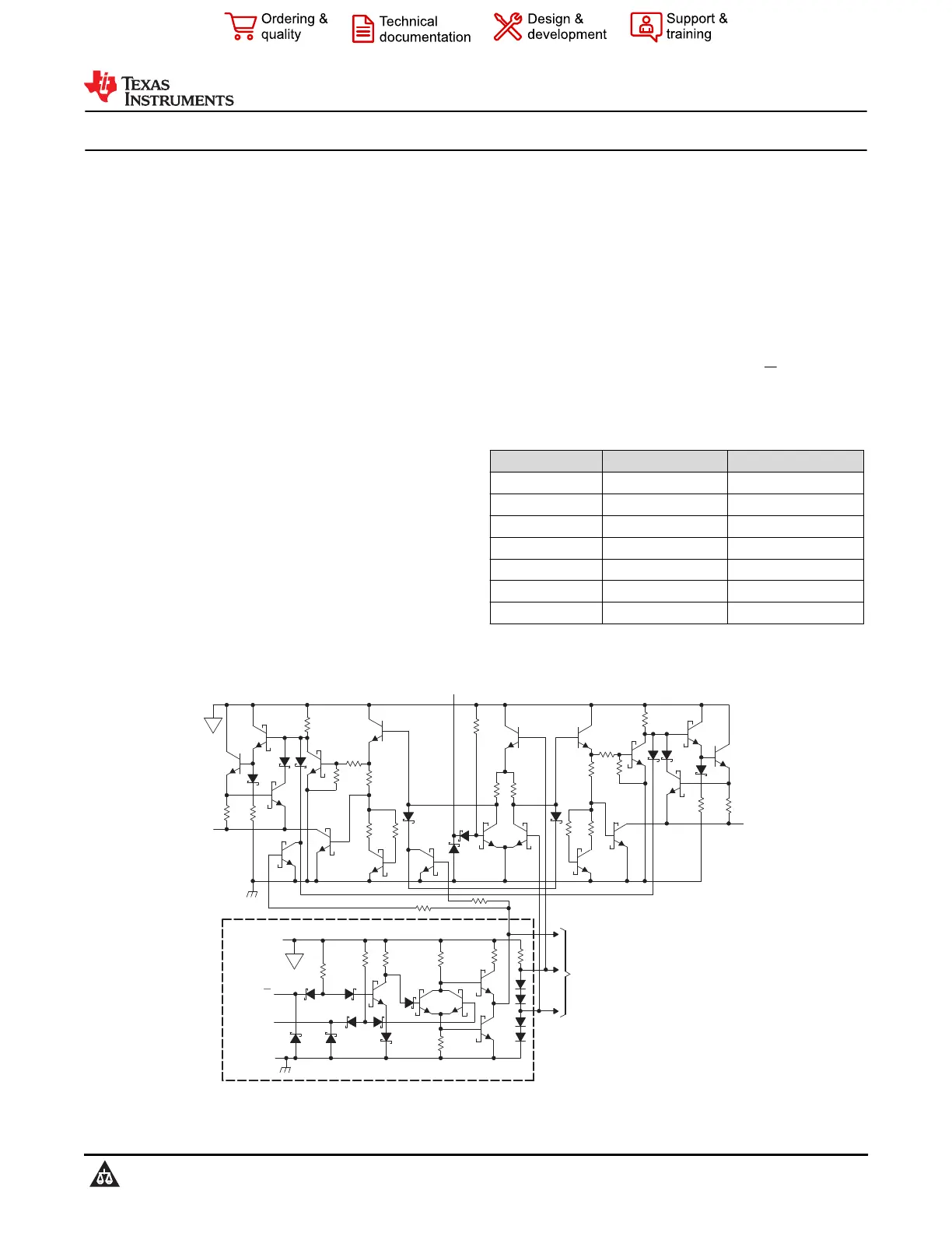
22 kΩ
To Three Other Drivers
Common toAll Four Drivers
GND
Enable G
Enable G
V
CC
V
V
OutputY
9Ω
InputA
22 kΩ
22 kΩ
All resistor values are nominal.
Output Z
9Ω
Copyright © 2016,Texas Instruments Incorporated
Schematic (Each Driver)
AM26LS31, AM26LS31M
SLLS114M – JANUARY 1979 – REVISED MARCH 2024
An IMPORTANT NOTICE at the end of this data sheet addresses availability, warranty, changes, use in safety-critical applications,
intellectual property matters and other important disclaimers. PRODUCTION DATA.
Product specificaties
| Merk: | Texas Instruments |
| Categorie: | Niet gecategoriseerd |
| Model: | AM26LS31 |
Heb je hulp nodig?
Als je hulp nodig hebt met Texas Instruments AM26LS31 stel dan hieronder een vraag en andere gebruikers zullen je antwoorden
Handleiding Niet gecategoriseerd Texas Instruments
23 April 2026
22 April 2026
21 April 2026
21 April 2026
20 April 2026
14 April 2026
14 April 2026
13 April 2026
13 April 2026
11 April 2026
Handleiding Niet gecategoriseerd
Nieuwste handleidingen voor Niet gecategoriseerd
25 April 2026
25 April 2026
24 April 2026
24 April 2026
24 April 2026
24 April 2026
24 April 2026
24 April 2026
24 April 2026
24 April 2026