GW Instek GRF-3300S Handleiding
GW Instek Meetapparatuur GRF-3300S
Bekijk gratis de handleiding van GW Instek GRF-3300S (26 pagina’s), behorend tot de categorie Meetapparatuur. Deze gids werd als nuttig beoordeeld door 2 mensen en kreeg gemiddeld 5.0 sterren uit 7 reviews. Heb je een vraag over GW Instek GRF-3300S of wil je andere gebruikers van dit product iets vragen? Stel een vraag
Pagina 1/26

16 Microstrip Line Filters
3
309
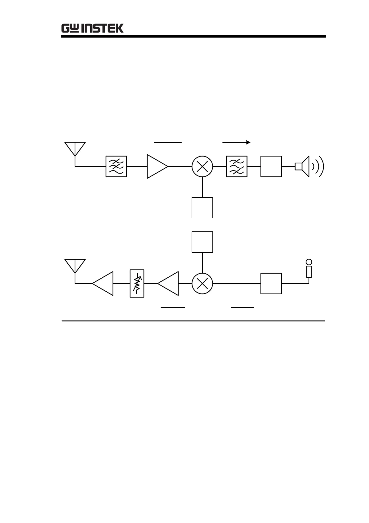
16MICROSTRIP LINE
FILTERS
PLL
De-
Mod
Mod
Receiver
Transmitter
Modulator
Mixer
Pre-
Amplifier
Attenuator
Power
Amplifier
Phase Locked Loop
AntennaLow-Pass
Filter
Low-Noise
Amplifier
Band-Pass
Filter
De-
Modulator
Audio
Output
Antenna
PLL
Mixer
Audio
Input
Objectives
1.Understand the basic concepts of microstrip line filters.
2.Learn how to design microstrip line filters.
3.Learn how to measure filter response.
* For generic filter and its applications, refer to Chapter 7.
Product specificaties
| Merk: | GW Instek |
| Categorie: | Meetapparatuur |
| Model: | GRF-3300S |
Heb je hulp nodig?
Als je hulp nodig hebt met GW Instek GRF-3300S stel dan hieronder een vraag en andere gebruikers zullen je antwoorden
Handleiding Meetapparatuur GW Instek
26 Februari 2026
26 Februari 2026
26 Februari 2026
26 Februari 2026
26 Februari 2026
25 Februari 2026
25 Februari 2026
25 Februari 2026
25 Februari 2026
25 Februari 2026
Handleiding Meetapparatuur
Nieuwste handleidingen voor Meetapparatuur
26 Februari 2026
26 Februari 2026
26 Februari 2026
25 Februari 2026
25 Februari 2026
25 Februari 2026
25 Februari 2026
24 Februari 2026
24 Februari 2026
21 Januari 2026