American Standard Portsmouth T420430.002 Handleiding
American Standard Douchesysteem Portsmouth T420430.002
Bekijk gratis de handleiding van American Standard Portsmouth T420430.002 (3 pagina’s), behorend tot de categorie Douchesysteem. Deze gids werd als nuttig beoordeeld door 2 mensen en kreeg gemiddeld 4.7 sterren uit 5 reviews. Heb je een vraag over American Standard Portsmouth T420430.002 of wil je andere gebruikers van dit product iets vragen? Stel een vraag
Pagina 1/3

DIVERTER TRIM KIT
Installation
Instructions
M965032 REV.1.5 (4/15)
T42043X
Series
PORTSMOUTH
®
Thank you for selecting American-Standard...the
benchmark of fine quality for over 100 years.
To ensure that your installation proceeds smoothly--please
read these instructions carefully before you begin.
Certified to comply with ANSI A112.18.1
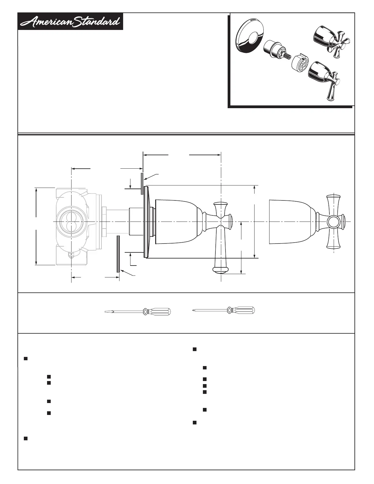
ROUGHING-IN DIMENSIONS
Recommended Tools
Flat Blade Screwdriver
Phillips Screwdriver
Remove as much surface dirt and film using clear
water and soft cotton cloth
(as described above).
Use any of the following to remove tough surface
film and build-up:
Mild liquid detergents
Clear ammonia free liquid glass cleaners
Non-acidic, non-abrasive gentle liquid or fully
dissolved powder cleansers mixed according to
manufacturers directions.
Non-abrasive liquid polishers
Once clean, rinse faucet again with clear water to
thoroughly remove cleaner or polish and blot dry with
a soft cotton cloth.
To keep your new faucet looking new, please follow
these simple care instructions:
DO: Simply rinse the faucet clean with clear water.
Dry the faucet with a soft cotton cloth.
DO NOT:
Do not use any abrasive cleaners, cloths, or
paper towels.
Do not use any cleaning agents containing
acids, polish abrasives, or harsh cleaners or
soaps.
Regular and routine cleaning will reduce the need for
heavy cleaning and polishing. If heavy cleaning is
required, the following procedures are recommended:
CARE INSTRUCTIONS:
Failure to follow these care instructions may
damage the Faucet's finish.
ALL CONNECTIONS 1/2" NPT
LEVER
HANDLE
CROSS
HANDLE
FINISHED
WALL
FINISHED
WALL
41mm MIN.
(1-5/8")
66mm MAX.
(2-5/8")
71mm
(2-3/4")
57mm HOLE SIZE
(2-1/4")
70mm
(2-5/8")
51mm
(2")
42mm
(1-11/16")
Product specificaties
| Merk: | American Standard |
| Categorie: | Douchesysteem |
| Model: | Portsmouth T420430.002 |
Heb je hulp nodig?
Als je hulp nodig hebt met American Standard Portsmouth T420430.002 stel dan hieronder een vraag en andere gebruikers zullen je antwoorden
Handleiding Douchesysteem American Standard
28 Februari 2026
28 Februari 2026
28 Februari 2026
27 Februari 2026
27 Februari 2026
27 Februari 2026
27 Februari 2026
27 Februari 2026
26 Februari 2026
26 Februari 2026
Handleiding Douchesysteem
Nieuwste handleidingen voor Douchesysteem
10 April 2026
9 April 2026
9 April 2026
8 April 2026
7 April 2026
7 April 2026
7 April 2026
7 April 2026
7 April 2026
7 April 2026