American Standard Estate T722502.002 Handleiding
American Standard Douchesysteem Estate T722502.002
Bekijk gratis de handleiding van American Standard Estate T722502.002 (4 pagina’s), behorend tot de categorie Douchesysteem. Deze gids werd als nuttig beoordeeld door 2 mensen en kreeg gemiddeld 4.4 sterren uit 9 reviews. Heb je een vraag over American Standard Estate T722502.002 of wil je andere gebruikers van dit product iets vragen? Stel een vraag
Pagina 1/4

- 1 -
Product names listed herein are trademarks of AS America, Inc.
© AS America, Inc. 2016
Thank you for selecting American Standard...
the benchmark of fine quality for over 100 years.
To ensure that your installation proceeds smoothly-please
read these instructions carefully before you begin.
RECOMMENDED TOOLS
M965746 (4/16)
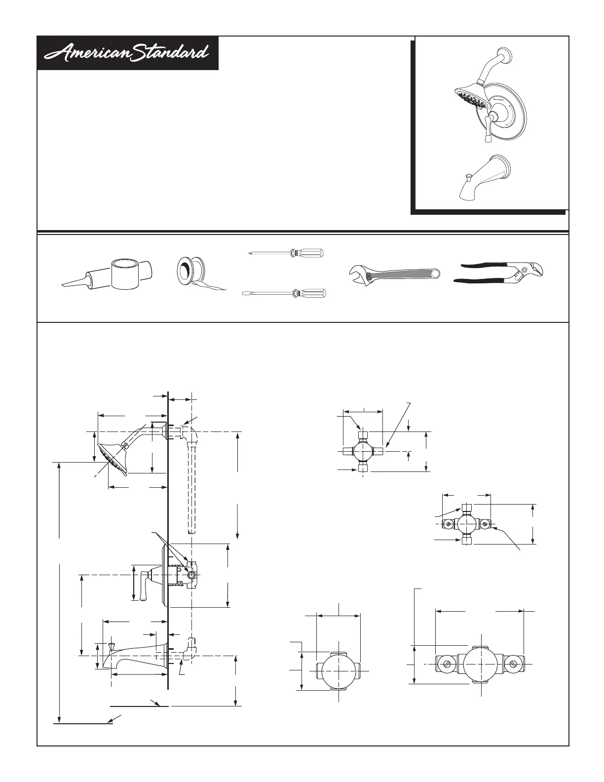
ROUGHING-IN DIMENSIONS
ESTATE
®
TUB AND SHOWER
INSTALLATION
INSTRUCTIONS
T722.500
T722.501
T722.502
T722.507
T722.508
Plumbers’ Putty
or Caulking
Adjustable WrenchChannel Locks
Phillips Screwdriver
Certied to comply with ANSI A112.18.1M
• To assure proper positioning in relation to wall.
Note roughing-in dimensions.
Teon Tape
Flat Blade Screwdriver
FINISHED WALL
4"
TOP OF TUB RIM
BOTTOM OF TUB
74" (1879 mm)
FOR HEAD
CLEARANCE
3-3/4"
(97 mm)
2" TO 3"
(51 TO 76 mm)
18" (457 mm)
OPTIONAL
6-5/8"
(179 mm)
7-5/8"
(207 mm)
1/2" NPT
1/2" COPPER
FOR SLIP-ON
SPOUT
8"
(198 mm)
1-1/2"
4-11/16"
(121 mm)
7-3/8"
(187 mm)
9-1/2"
(223 mm)
OPTIONAL TO FINISHED
FLOOR USUALLY
BETWEEN 65'' AND 78"
(1651 AND 1981 mm)
"SEE ILLUSTRATION "
THREADED INLETS (STOPS)
INLETS
1/2" NPT
5-7/8"
(149 mm)
5-7/8"
(149 mm)
5-7/8"
(149 mm)
INLETS 1/2" NPT
OUTLETS
1/2" NPT
OUTLETS
1/2" NPT
3-3/8"
(86 mm)
3-3/8"
(86 mm)
THREADED INLETS
SHR. 1/2" NOM.
COPPER SWEAT
TUB 1/2" NOM.
COPPER SWEAT
4-1/16" (103 mm)
INLETS
4-1/16"
(103 mm)
4-1/16"
(103 mm)
INLETS
1/2" NOM.
COPPER
SWEAT
SHR. 1/2" NOM.
COPPER SWEAT
TUB 1/2" NOM.
COPPER SWEAT
2"
SWEAT
INLETS
SWEAT
INLETS (STOPS)
INLETS
1/2" NOM.
COPPER
SWEAT
7"
(160 mm)
2-3/4"
(83 mm)
Product specificaties
| Merk: | American Standard |
| Categorie: | Douchesysteem |
| Model: | Estate T722502.002 |
Heb je hulp nodig?
Als je hulp nodig hebt met American Standard Estate T722502.002 stel dan hieronder een vraag en andere gebruikers zullen je antwoorden
Handleiding Douchesysteem American Standard
24 Februari 2026
24 Februari 2026
24 Februari 2026
24 Februari 2026
24 Februari 2026
24 Februari 2026
24 Februari 2026
24 Februari 2026
24 Februari 2026
24 Februari 2026
Handleiding Douchesysteem
Nieuwste handleidingen voor Douchesysteem
15 Februari 2026
14 Februari 2026
14 Februari 2026
14 Februari 2026
13 Februari 2026
13 Februari 2026
13 Februari 2026
13 Februari 2026
13 Februari 2026
12 Februari 2026