American Standard Colony Pro T075508XH.002 Handleiding
American Standard Douchesysteem Colony Pro T075508XH.002
Bekijk gratis de handleiding van American Standard Colony Pro T075508XH.002 (4 pagina’s), behorend tot de categorie Douchesysteem. Deze gids werd als nuttig beoordeeld door 3 mensen en kreeg gemiddeld 4.0 sterren uit 4 reviews. Heb je een vraag over American Standard Colony Pro T075508XH.002 of wil je andere gebruikers van dit product iets vragen? Stel een vraag
Pagina 1/4

- 1 -
Product names listed herein are trademarks of AS America, Inc.
© AS America, Inc. 2016
Thank you for selecting American Standard...
the benchmark of fine quality for over 100 years.
To ensure that your installation proceeds smoothly-please
read these instructions carefully before you begin.
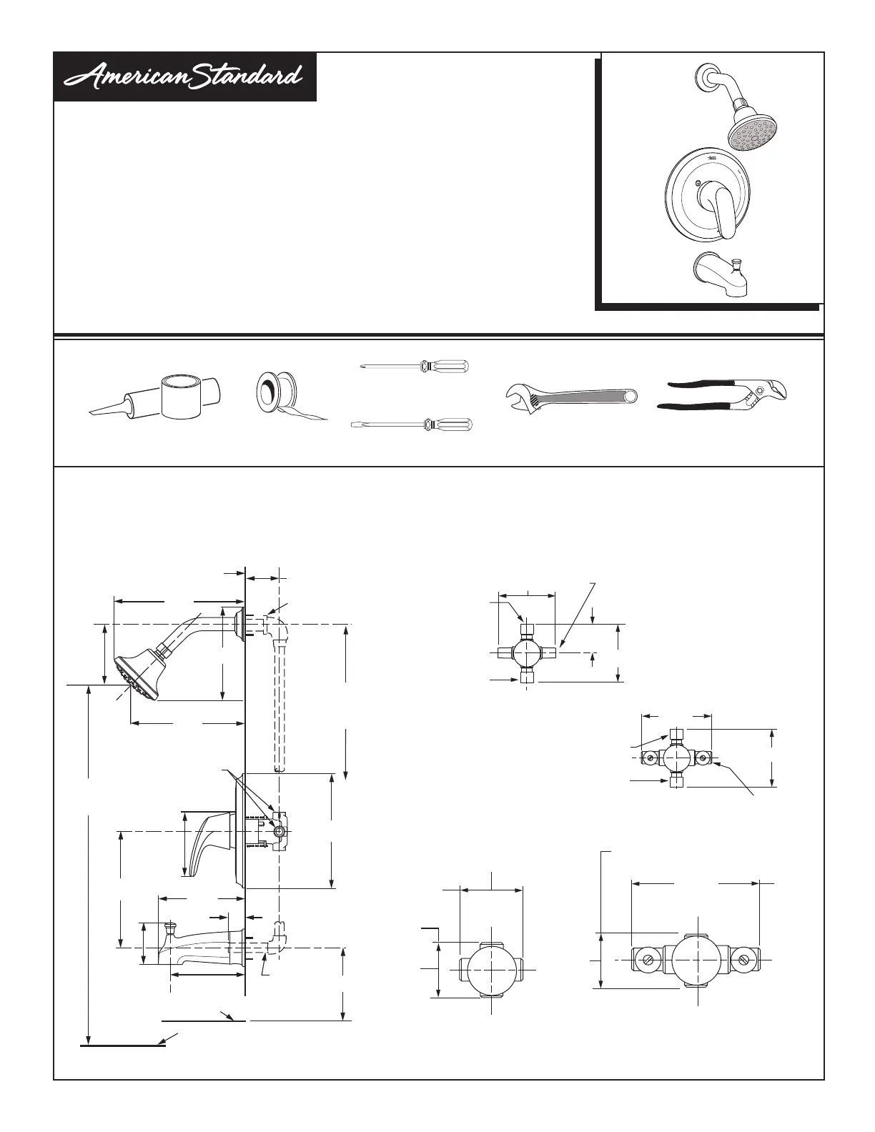
RECOMMENDED TOOLS
M965762 (8/16)
ROUGHING-IN DIMENSIONS
COLONY
®
PRO
TUB AND SHOWER
INSTALLATION
INSTRUCTIONS
T075.500
T075.507
T075.508
T075.507xH
T075.508xH
Plumbers’ Putty
or Caulking
Adjustable WrenchChannel Locks
Phillips Screwdriver
Certied to comply with ANSI A112.18.1M
• To assure proper positioning in relation to wall.
Note roughing-in dimensions.
OFF
Teon Tape
Flat Blade Screwdriver
FINISHED WALL
4"
TOP OF TUB RIM
BOTTOM OF TUB
74" (1879 mm)
FOR HEAD
CLEARANCE
4-1/16"
(99 mm)
2" TO 3"
(51 TO 76 mm)
18" (457 mm)
OPTIONAL
4-7/8"
(124 mm)
5-11/16"
(144 mm)
1/2" NPT
1/2" COPPER
FOR SLIP-ON
SPOUT
7-1/2"
(190 mm)
1-1/2"
4-3/16"
(106 mm)
7-1/2"
(190 mm)
8-9/16"
(217 mm)
OPTIONAL TO FINISHED
FLOOR USUALLY
BETWEEN 65'' AND 78"
(1651 AND 1981 mm)
"SEE ILLUSTRATIONS "
THREADED INLETS (STOPS)
INLETS
1/2" NPT
5-7/8"
(149 mm)
5-7/8"
(149 mm)
5-7/8"
(149 mm)
INLETS 1/2" NPT
OUTLETS
1/2" NPT
OUTLETS
1/2" NPT
3-3/8"
(86 mm)
3-3/8"
(86 mm)
THREADED INLETS
SHR. 1/2" NOM.
COPPER SWEAT
TUB 1/2" NOM.
COPPER SWEAT
4-1/16" (103 mm)
INLETS
4-1/16"
(103 mm)
4-1/16"
(103 mm)
INLETS
1/2" NOM.
COPPER
SWEAT
SHR. 1/2" NOM.
COPPER SWEAT
TUB 1/2" NOM.
COPPER SWEAT
2"
SWEAT
INLETS
SWEAT
INLETS (STOPS)
INLETS
1/2" NOM.
COPPER
SWEAT
6-1/8"
(155 mm)
2-7/8"
(72 mm)
Product specificaties
| Merk: | American Standard |
| Categorie: | Douchesysteem |
| Model: | Colony Pro T075508XH.002 |
Heb je hulp nodig?
Als je hulp nodig hebt met American Standard Colony Pro T075508XH.002 stel dan hieronder een vraag en andere gebruikers zullen je antwoorden
Handleiding Douchesysteem American Standard
28 Februari 2026
28 Februari 2026
28 Februari 2026
27 Februari 2026
27 Februari 2026
27 Februari 2026
27 Februari 2026
27 Februari 2026
26 Februari 2026
26 Februari 2026
Handleiding Douchesysteem
Nieuwste handleidingen voor Douchesysteem
10 April 2026
9 April 2026
9 April 2026
8 April 2026
7 April 2026
7 April 2026
7 April 2026
7 April 2026
7 April 2026
7 April 2026