Texas Instruments LMX2434 Handleiding
Bekijk gratis de handleiding van Texas Instruments LMX2434 (56 pagina’s), behorend tot de categorie Niet gecategoriseerd. Deze gids werd als nuttig beoordeeld door 2 mensen en kreeg gemiddeld 4.2 sterren uit 8 reviews. Heb je een vraag over Texas Instruments LMX2434 of wil je andere gebruikers van dit product iets vragen? Stel een vraag
Pagina 1/56

Product
Folder
Sample &
Buy
Technical
Documents
Tools &
Software
Support &
Community
LMX2430
,
LMX2433
,
LMX2434
SNAS187D–FEBRUARY2003–REVISEDJANUARY2016
LMX243xPLLatinum™DualHigh-FrequencySynthesizerforRFPersonal
Communications
1Features2Applications
1
•LowCurrentConsumption
•MobileHandsets
•CordlessHandsets
–LMX2430(RF/IF):2.8mA/1.4mA
•WirelessData
–LMX2433(RF/IF):3.2mA/2mA
•CableTVTuners
–LMX2434(RF/IF):4.6mA/2.4mA
•2.25-Vto2.75-VOperation
3Description
•Synchronous/AsynchronousPowerDown
Usingaproprietarydigital-phase,locked-loop
•MultiplePLLOptions:
technique,theLMX243xdevicesgeneratevery
–LMX2430(RF/IF):3GHz/0.8GHz
stable,low-noisecontrolsignalsforRFandIFvoltage
controlledoscillators.BoththeRFandIF
–LMX2433(RF/IF):3.6GHz/1.7GHz
synthesizersincludeatwo-levelprogrammable
–LMX2434(RF/IF):5GHz/2.5GHz
chargepump.BoththeRFandIFPLLshave
•ProgrammableCharge-PumpCurrentLevels
dedicatedfastlockcircuitrywithintegratedtime-out
counterswhichrequireonlyasinglewordwriteto
–RFandIF:1or4mA
poweruporchangefrequencies.
•FastlockWithIntegratedTime-OutCounters
•DigitalFilteredLock-DetectOutput
DeviceInformation
(1)
•AnalogLockDetect(Push-Pull/Open-Drain)
PARTNUMBERPACKAGEBODYSIZE(NOM)
•1.8-VMICROWIRELogicInterface
ULGA(20)3.50mm×3.50mm
LMX243x
TSSOP(20)6.50mm×4.40mm
(1)Forallavailablepackages,seetheorderableaddendumat
theendofthedatasheet.
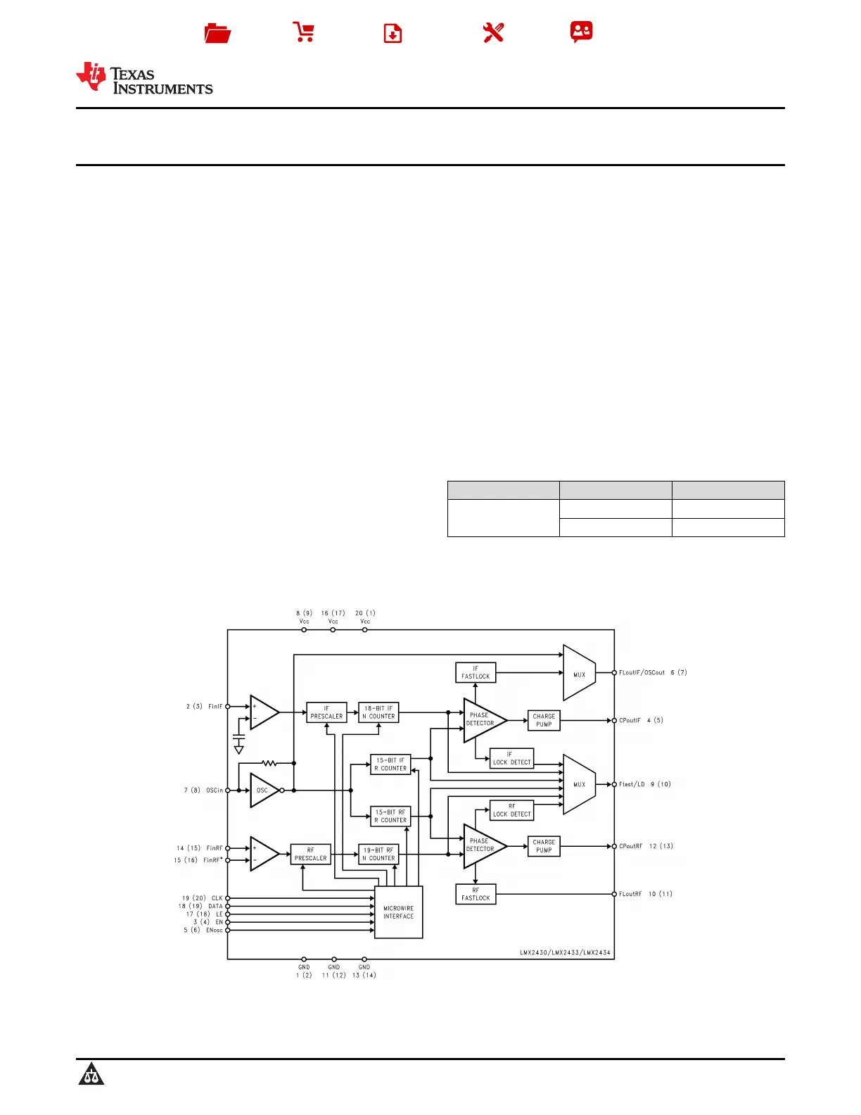
FunctionalBlockDiagram
NOTE:1(2)referstoPin1ofthe20-PinULGAandPin2ofthe20-PinTSSOP
1
AnIMPORTANTNOTICEattheendofthisdatasheetaddressesavailability,warranty,changes,useinsafety-criticalapplications,
intellectualpropertymattersandotherimportantdisclaimers.PRODUCTIONDATA.
Product specificaties
| Merk: | Texas Instruments |
| Categorie: | Niet gecategoriseerd |
| Model: | LMX2434 |
Heb je hulp nodig?
Als je hulp nodig hebt met Texas Instruments LMX2434 stel dan hieronder een vraag en andere gebruikers zullen je antwoorden
Handleiding Niet gecategoriseerd Texas Instruments
23 April 2026
22 April 2026
21 April 2026
21 April 2026
20 April 2026
14 April 2026
14 April 2026
13 April 2026
13 April 2026
11 April 2026
Handleiding Niet gecategoriseerd
Nieuwste handleidingen voor Niet gecategoriseerd
25 April 2026
25 April 2026
24 April 2026
24 April 2026
24 April 2026
24 April 2026
24 April 2026
24 April 2026
24 April 2026
24 April 2026