Texas Instruments LM5001 Handleiding
Bekijk gratis de handleiding van Texas Instruments LM5001 (32 pagina’s), behorend tot de categorie Niet gecategoriseerd. Deze gids werd als nuttig beoordeeld door 2 mensen en kreeg gemiddeld 4.7 sterren uit 6 reviews. Heb je een vraag over Texas Instruments LM5001 of wil je andere gebruikers van dit product iets vragen? Stel een vraag
Pagina 1/32

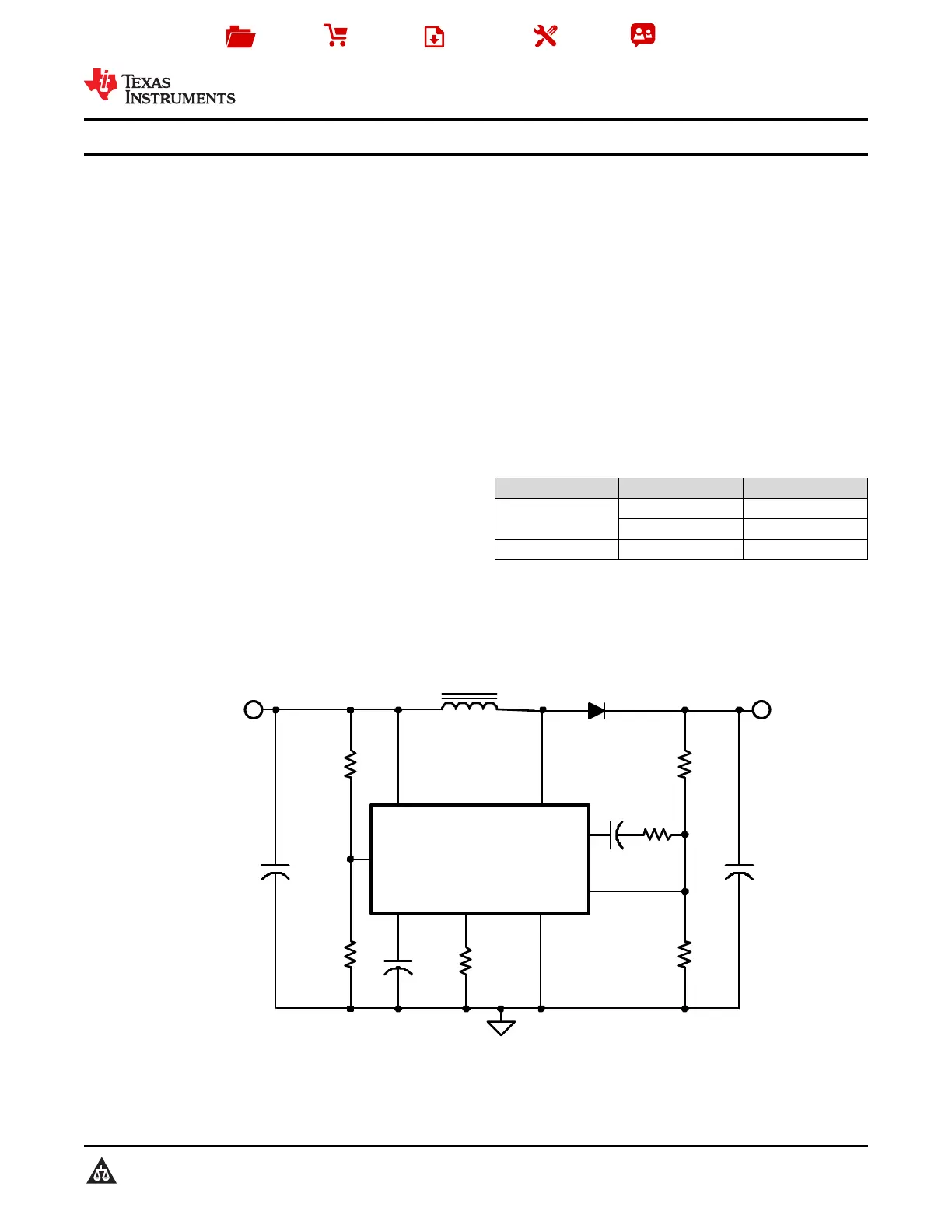
VIN
FB
EN
RTGND
SW
LM5001
VCC
COMP
+12V to +36V+48V
Product
Folder
Sample &
Buy
Technical
Documents
Tools &
Software
Support &
Community
LM5001
,
LM5001-Q1
SNVS484H–JANUARY2007–REVISEDJULY2015
LM5001xHigh-VoltageSwitch-ModeRegulator
1Features3Description
TheLM5001high-voltageswitch-moderegulator
1
•AEC-Q100Qualified(T
J
=–40°Cto125°C)
featuresallofthefunctionsnecessarytoimplement
•Integrated75-VN-ChannelMOSFET
efficienthigh-voltageBoost,Flyback,SEPICand
•Ultra-WideInputVoltageRangefrom
Forwardconverters,usingfewexternalcomponents.
3.1Vto75V
Thiseasy-to-useregulatorintegratesa75-VN-
ChannelMOSFETwitha1-Apeakcurrentlimit.
•IntegratedHighVoltageBiasRegulator
Currentmodecontrolprovidesinherentlysimpleloop
•AdjustableOutputVoltage
compensationandline-voltagefeed-forwardfor
•1.5%OutputVoltageAccuracy
superiorrejectionofinputtransients.Theswitching
frequencyissetwithasingleresistorandis
•CurrentModeControlwithSelectable
programmableupto1.5MHz.Theoscillatorcanalso
Compensation
besynchronizedtoanexternalclock.Additional
•WideBandwidthErrorAmplifier
protectionfeaturesinclude:currentlimit,thermal
•IntegratedCurrentSensingandLimiting
shutdown,undervoltagelockoutandremote
shutdowncapability.
•IntegratedSlopeCompensation
•85%MaximumDutyCycleLimit
DeviceInformation
(1)
•SingleResistorOscillatorProgramming
DEVICENAMEPACKAGEBODYSIZE
•OscillatorSynchronizationCapability
SOIC(8)4.9mmx3.91mm
LM5001
•Enable/UndervoltageLockout(UVLO)Pin
WSON(8)4mmx4mm
•ThermalShutdown
LM5001Q1SOIC(8)4.9mmx3.91mm
(1)Forallavailablepackages,seetheorderableaddendumat
2Applications
theendofthedatasheet.
•DC-DCPowerSuppliesforIndustrial,
Communications,andAutomotiveApplications
•Boost,Flyback,SEPICandForwardConverter
Topologies
1
AnIMPORTANTNOTICEattheendofthisdatasheetaddressesavailability,warranty,changes,useinsafety-criticalapplications,
intellectualpropertymattersandotherimportantdisclaimers.PRODUCTIONDATA.
Product specificaties
| Merk: | Texas Instruments |
| Categorie: | Niet gecategoriseerd |
| Model: | LM5001 |
Heb je hulp nodig?
Als je hulp nodig hebt met Texas Instruments LM5001 stel dan hieronder een vraag en andere gebruikers zullen je antwoorden
Handleiding Niet gecategoriseerd Texas Instruments
23 April 2026
22 April 2026
21 April 2026
21 April 2026
20 April 2026
14 April 2026
14 April 2026
13 April 2026
13 April 2026
11 April 2026
Handleiding Niet gecategoriseerd
Nieuwste handleidingen voor Niet gecategoriseerd
24 April 2026
24 April 2026
24 April 2026
24 April 2026
24 April 2026
24 April 2026
24 April 2026
24 April 2026
24 April 2026
24 April 2026