JET JHJ-3 Handleiding
JET Niet gecategoriseerd JHJ-3
Bekijk gratis de handleiding van JET JHJ-3 (1 pagina’s), behorend tot de categorie Niet gecategoriseerd. Deze gids werd als nuttig beoordeeld door 8 mensen en kreeg gemiddeld 4.9 sterren uit 4 reviews. Heb je een vraag over JET JHJ-3 of wil je andere gebruikers van dit product iets vragen? Stel een vraag
Pagina 1/1

Hydraulic Bottle Jacks
JHJ-2 (stock no. 453301)
JHJ-3 (stock no. 453303)
JHJ-5 (stock no. 453305)
JHJ-2 JHJ-3 JHJ-5
Rated capacity 2 ton 3 ton 5 ton
Minimum height (in.) 7-1/8 7-1/2 7-7/8
Piston height (in.) 4-1/2 4-1/2 4-5/8
Head screw (h/in.) 2 2-3/8 2-3/4
Maximum height
(in.)
13-5/8 14-3/8 15-1/2
Base size (LxW/in.) 4-1/2 x 2-1/2
4-9/16 x 2-
13/16
5-5/8 x 3-1/4
Weight (lbs) 5 6 9
Part No. M-453301
Revision J1 04/2019
JET
a Division of JPW Industries, Inc.
427 New Sanford Rd.
LaVergne, Tennessee 37086
Ph.: 800-274-6848
www.jettools.com
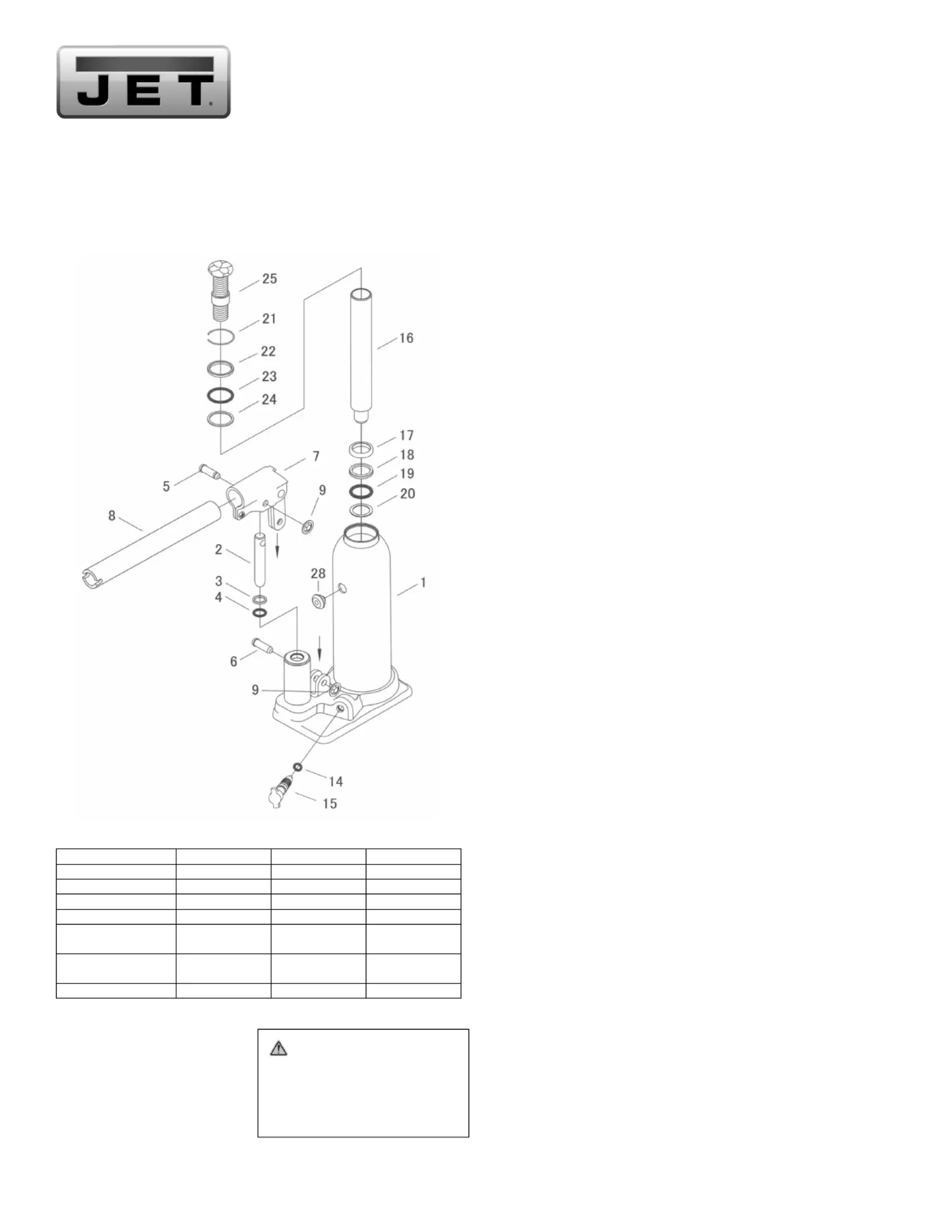
JHJ-2
Index No. Part No. Description
................. JHJ001-RK ......... Repair Kit
2 ............... JHJ001-02 .......... Pump Plunger
3 ............... JHJ001-03 .......... Pump Backup Ring*
4 ............... JHJ001-04 .......... Pump Packing*
5 ............... JHJ001-05 .......... Pump Plunger Pin
6 ............... JHJ001-06 .......... Pump Stay Pin
7 ............... JHJ001-07 .......... Handle Socket Assembly
8 ............... JHJ001-08 .......... Handle 2pc.
9 ............... JHJ001-09 .......... Pin Stopper Ring
14 ............. JHJ001-14 .......... Release Packing* (all sizes)
15 ............. JHJ001-15 .......... Release Assembly 1-7/8” (old)
................. JHJ001-15A ....... Release Stem 2-1/4” (new)
16 ............. JHJ001-16 .......... Ram
17 ............. JHJ001-17 .......... Ram Packing Seat
18 ............. JHJ001-18 .......... Ram Backup Ring*
19 ............. JHJ001-19 .......... Ram Packing*
20 ............. JHJ001-20 .......... Ram Packing Stopper
21 ............. JHJ001-21 .......... Snap Ring
22 ............. JHJ001-22 .......... Stuffing Ring
23 ............. JHJ001-23 .......... Cylinder Packing*
24 ............. JHJ001-24 .......... Stopper Ring
25 ............. JHJ001-25 .......... Adjusting Screw Assembly
28 ............. JHJ001-28 .......... Oil Plug* (all sizes)
JHJ-3
................. JHJ003-RK ......... Repair Kit
2 ............... JHJ001-02 .......... Pump Plunger
3 ............... JHJ001-03 .......... Pump Backup Ring*
4 ............... JHJ001-04 .......... Pump Packing*
5 ............... JHJ001-05 .......... Pump Plunger Pin
6 ............... JHJ001-06 .......... Pump Stay Pin
7 ............... JHJ001-07 .......... Handle Socket
8 ............... JHJ003-08 .......... Handle 2pc.
9 ............... JHJ001-09 .......... Pin Stopper Ring
14 ............. JHJ001-14 .......... Release Packing*
15 ............. JHJ001-15 .......... Release Assembly Old
................. JHJ001-15A ....... Release Stem New
16 ............. JHJ003-16 .......... Ram
17 ............. JHJ003-17 .......... Ram Packing Seat
18 ............. JHJ003-18 .......... Ram Backup Ring*
19 ............. JHJ003-19 .......... Ram Packing*
20 ............. JHJ003-20 .......... Ram Packing Stopper
21 ............. JHJ003-21 .......... Snap Ring
22 ............. JHJ003-22 .......... Stuffing Ring
23 ............. JHJ003-23 .......... Cylinder Packing*
24 ............. JHJ003-24 .......... Stopper Ring
25 ............. JHJ003-25 .......... Adjusting Screw Assembly
28 ............. JHJ001-28 .......... Oil Plug*
JHJ-5
................. JHJ005-RK ......... Repair Kit
2 ............... JHJ001-02 .......... Pump Plunger
3 ............... JHJ001-03 .......... Pump Backup Ring*
4 ............... JHJ001-04 .......... Pump Packing*
5 ............... JHJ001-05 .......... Pump Plunger Pin
6 ............... JHJ001-06 .......... Pump Stay Pin
7 ............... JHJ001-07 .......... Handle Socket Assembly
8 ............... JHJ005-08 .......... Handle 3pc.
9 ............... JHJ001-09 .......... Pin Stopper Ring
14 ............. JHJ001-14 .......... Release Packing*
15 ............. JHJ001-15 .......... Release Assembly Old
................. JHJ001-15A ....... Release Stem New
16 ............. JHJ005-16 .......... Ram
17 ............. JHJ005-17 .......... Ram Packing Seat
18 ............. JHJ005-18 .......... Ram Backup Ring*
19 ............. JHJ005-19 .......... Ram Packing*
20 ............. JHJ005-20 .......... Ram Packing Stopper
21 ............. JHJ005-21 .......... Snap Ring
22 ............. JHJ005-22 .......... Stuffing Ring
23 ............. JHJ005-23 .......... Cylinder Packing*
24 ............. JHJ005-24 .......... Stopper Ring
25 ............. JHJ005-25 .......... Adjusting Screw Assembly
28 ............. JHJ001-28 .......... Oil Plug*
* denotes part included in repair kit
WARNING:This product can
expose you to chemicals including
styrene which is known to the
State of California to cause
cancer. For more information go to
http://www.p65warnings.ca.gov.
Product specificaties
| Merk: | JET |
| Categorie: | Niet gecategoriseerd |
| Model: | JHJ-3 |
Heb je hulp nodig?
Als je hulp nodig hebt met JET JHJ-3 stel dan hieronder een vraag en andere gebruikers zullen je antwoorden
Handleiding Niet gecategoriseerd JET
31 December 2026
31 December 2026
30 December 2026
30 December 2026
29 December 2026
29 December 2026
29 December 2026
29 December 2026
29 December 2026
29 December 2026
Handleiding Niet gecategoriseerd
Nieuwste handleidingen voor Niet gecategoriseerd
22 Januari 2026
22 Januari 2026
22 Januari 2026
22 Januari 2026
22 Januari 2026
22 Januari 2026
22 Januari 2026
22 Januari 2026
22 Januari 2026
22 Januari 2026